Вздутые конденсаторы
Это, конечно же, электролитические конденсаторы в фильтре блока питания.

Это одна из самых распространенных поломок ЖК-мониторов. Перепаиваются конденсаторы легко и просто. Иногда на платах стоит не стандартный номинал конденсаторов, например 680 или 820 мкФ х 25 вольт. Если вы столкнулись со вздувшимися конденсаторами такого номинала и их не оказалось в вашем радиомагазине, не спешите обходить все радиомагазины вашего города в поисках точно такого же номинала. Это как раз тот случай, когда “много не вредно”. Это вам скажет любой электронщик. Смело ставьте 1000 мкф х 25 вольт и все будет нормально работать. Можно даже больше.
В связи с тем, что блок питания при работе излучает тепло, которое вредно сказывается на сроке службы конденсаторов, ставьте обязательно конденсаторы с обозначением «105С» на корпусе. Также после перепаивания конденсаторов не помешает проверить предохранитель вторичных цепей, в роли которого часто выступает простой SMD резистор с нулевым сопротивлением, типоразмером 0805, находящийся с обратной стороны платы со стороны трассировки.
Активные матричные технологии
В цветных экранах высокого разрешения, которыми оборудуются современные телевизоры и мониторы, применяется активная матрица. В ней к цветным и поляризационным фильтрам добавлен слой тонкопленочных транзисторов (TFT). При этом каждый пиксель управляется своим собственным выделенным полупроводниковым элементом. Транзистор обеспечивает доступ в каждом столбце только к одному пикселю. При активации строки к ней подключаются все столбцы, и на них подается напряжение. Затем строка деактивируется, и активируется следующая. При обновлении дисплея последовательно активируются все строки. Активно-матричные экраны значительно четче и ярче пассивных того же размера, и обычно отличаются более быстрым откликом, который обеспечивает гораздо лучшее качество изображения.

Что такое ЖК монитор
1.1. Принцип работы ЖК монитора
Для начала стоит разобраться, что же такое ЖК монитор. Для этого нужно понять, что такое LCD-дисплей. Как вы, наверное, уже догадались LCD это некое сокращение, полностью название имеет следующий вид – Liquid Crystal Display. В переводе на русский язык это означает жидкокристаллический дисплей. Таким образом, становится понятно, что ЖК и LCD – это одно и то же.
Данная технология построена на использовании специальных молекул жидких кристаллов, которые имеют уникальные свойства. Такие мониторы отличаются рядом неоспоримых преимуществ. Для того чтобы их понять стоит более детально разобрать принцип работы ЖК мониторов.
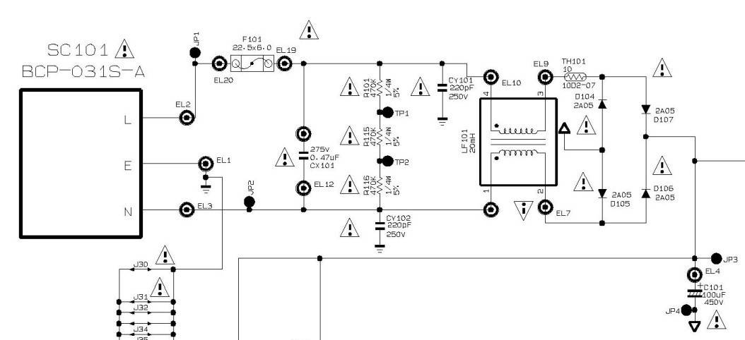
Проблемы в высоковольтной части блока питания (инверторе)
Если есть возможность, то в первую очередь, всегда отыскивайте схемы ремонтируемого устройства. Давайте рассмотрим высоковольтную часть одного из мониторов

Если вы видите, что предохранитель блока питания монитора сгорел, это означает, что сопротивление между проводами питания шнура монитора (входное сопротивление), на какой-то момент стало очень низким (короткое замыкание). Где-то около 50 Ом и меньше, что в свою очередь, по закону Ома, вызвало повышения тока в цепи. От большой силы тока у нас и сгорел проводок предохранителя.
Если предохранитель в металлическо-стеклянном корпусе, мы можем вставить абсолютно любой предохранитель в крепление и прозвонить мультиметром в режиме Омметра 200 Ом сопротивление между штырьками вилки. Если у нас сопротивление равно нулю и до 50 Ом, то ищем пробитый радиоэлемент, который звонится на ноль или на землю.
Шаги будут такие:
Вставляем предохранитель, переключаем мультиметр на 200 Ом и подключаем его к вилке шнура питания. Убеждаемся, что сопротивление очень маленькое. Далее не торопимся вынимать предохранитель.
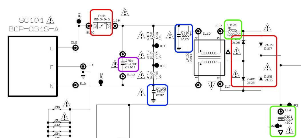
Итак давайте по схеме посмотрим, какие радиодетали у нас могут коротнуть. На фото выделены цветными рамками те детали, которые необходимо будет проверить при коротком замыкании в высоковольтной части


Все эти процедуры для измерения сопротивления, делаются для того, чтобы вызвонить перечисленные детали по одной. То есть выпаиваем и снова замеряем через вилку сопротивление. Как только мы получим на входе вилки высокое сопротивление, заменив или убрав дефектный радиоэлемент, то можно смело включать вилку в розетку и копать уже дальше.
Калибровка монитора для фотопечати и работы с графикой
Как получить наилучший результат
Чтобы получить действительно хорошее изображение, где черное — это черное (а не темно-серое), белое — это белое, а цвет не зависит от угла поворота экрана, нужен профессиональный монитор. Фотографы и художники-графики отдают предпочтение экранам с матрицей IPS (наилучший вариант — с S-IPS).
На бюджетных мониторах с матрицами типа TN добиться высокой точности оттенков и цветов, увы, не получится, И дело не в том, что этого не позволяют программы, а в качествах самого экрана. Но мы будем работать с тем, что имеем.
Итак, начнем с подготовки рабочего места:
- Монитор должен стоять там, где вы обычно его используете.
- Помещение должно быть достаточно освещено. Калибровку лучше проводить при том освещении, при котором вы работаете. Если вы работаете и при естественном, и при искусственном свете, оптимально создать два цветовых профиля. Направленные источники света на время калибровки следует удалить от экрана.
- Перед началом калибровки монитор должен некоторое время поработать. ЭЛТ-монитор — не меньше часа, остальным достаточно 30 минут.
- Фоновое изображение следует установить нейтральным, лучше всего — в серых тонах.
Adobe Gamma
С помощью Adobe Gamma калибруют мониторы для работы в Фотошопе. Поскольку приложения созданы одним разработчиком, они оптимальны для совместного использования — профили, сформированные в Гамме, отображаются в меню Фотошопа, и пользователь может быстро переключаться между ними.
Утилита входит в комплект поставки Photoshop, но при желании ее можно скачать и отдельно, правда, не с официального сайта (ее там нет), а со сторонних ресурсов. Установки она не требует, достаточно просто запустить.
Если вы проводите калибровку в первый раз, выбирайте версию «Шаг за шагом».
Следом — создадим описание нового профиля (латинскими буквами).
Далее переходим к процессу калибровки. Используя меню настройки монитора, отрегулируем яркость и контрастность так, чтобы серый квадрат в центре окошка почти слился с черным, но был различим на его фоне. Рамка при этом должна оставаться белой.
Следующим шагом определим тип свечения (цветности люминофора). Нужное значение можно взять из заводского профиля монитора (оно будет установлено по умолчанию, если вы предварительно ничего не меняли в настройках). Если затрудняетесь, оставьте «Собственное» или «HDTV (CCIR 709)».
Теперь займемся настройкой гаммы для правильной цветопередачи (соотношения красного, зеленого и синего каналов). С помощью ползунка выровняем яркость серого квадрата на фоне черных и белых полос либо установим одно из значений по умолчанию. Для ЖК-монитора лучше выбрать 1.8, для ЭЛТ — 2.2.
Если снять флажок «Рассматривать одну гамму», вместо серого квадрата будет три — красный, зеленый и синий, с отдельными инструментами регулировки. С их помощью можно убрать цветной оттенок экрана, если он есть. Если нет — лучше их не трогать.
После настройки гаммы определим цветовую температуру белой точки монитора. Этот параметр зависит от окружающего освещения. Для работы при дневном свете оптимально установить 6500° K, при искусственном теплом (лампы накаливания) — 5000° K, при искусственном белом (люминесцентные лампы) — 9300° K.
Чтобы определить цветовую температуру визуально, нажмем кнопку «Изменить».
На затемненном фоне будут отображены три светлых квадрата. Ваша задача — выбрать наиболее нейтральный серый.
На заключительном этапе установим отображение точки белого как аппаратное значение и сохраним профиль.
Для быстрого редактирования уже существующих профилей удобнее открывать программу в виде панели управления. Здесь все настройки находятся в одном окне.
Виды мониторов
Мониторы можно классифицировать по разным признакам. Но обычно их разделяют по типам экрана. Рассмотрим основные технологии, используемые в их производстве.
Жидкокристаллический
На данный момент является доминирующим типом. Появились еще 90-х годах и вначале использовались только в ноутбуках, т.е. там был нужен меньший размер и низкое энергопотребление. Отличались высокой ценой.
Свою большую популярность обрели в нулевых годах, благодаря сериалам, фильмам, играм и переходу телевидения на HD разрешение.
ЭЛТ — CRT
Первые доступные мониторы появились благодаря этой технологии. Вначале их встраивали в корпус вместе с клавиатурой и другими компонентами системы в большом корпусе.
Только к концу 80-х годов появились цветные модели, которые смогли качественно отображать картинку в разрешении 1024 х 768 пикселей. Технология CRT довольно долго оставалась доминирующей на рынке и очень популярной, т.к. качество картинки и углы обзора в 180 градусов были для многих очевидным выбором. А ЖК такого на тот момент просто предложить не могли.
Органический светодиод
Относительно новая технология. Модели с OLED экранами. Более контрастная картинка, лучшие углы обзора, но для показа документов с ярким фоном или просто белым — требуют больше мощности. Имеют очень неприятную особенность — выгорание пикселей, что отталкивает многих от их покупки. Через несколько лет их использования от былого цвета не остается и следа. Но, это пока.
Интересно! Также есть и другие виды, но они не такие популярные и редко, где используются.
Дополнительные возможности мониторов
Поддержка 3D – на таких мониторах можно просматривать видео и аудио контент в 3D формате. Однако для этого недостаточно купить лишь монитор 3D. Также понадобится совместимая видеокарточка и 3D очки.
Встроенные колонки. Обычно устанавливаются в мониторы, оснащенные ТВ-тюнером. Такие модели удобны при общении по Скайпу, не занимают много места на столе.
Кронштейн VESA – специальное крепление на задней стенке монитора, при помощи которого можно крепить экран на вертикальные поверхности, или потолок.
PIVOT – функция поворота экрана из горизонтальной ориентации в вертикальную. Востребован у веб-дизайнеров, программистов.
Изогнутый монитор. Смотрится эффектно, но самое главное – обеспечивает полное погружение в виртуальный мир. Дело в том, что глазам не нужно перефокусироваться, чтобы воспринимать картинку с краев монитора, что происходит в плоских монитора. Поэтому картинка выглядит более натурально.
Сенсорный экран позволяет управлять программным обеспечением ПК, как с экрана планшетного компьютера. ОС Windows 8 создана с учетом возможности управления системой с сенсорного монитора.
Встроенная видеокамера – отличный вариант монитора для общения по Скайпу и другим видео-мессенджерам.
Итак, из всего вышесказанного можно сделать общий вывод. Если вы планируете покупать монитор для офиса, либо работы, то модели с 19-22 дюймовым экраном вполне хватит, а матрица типа TN вполне удовлетворит все потребности. Для просмотра фильмов лучше взять монитор с IPS матрицей, который отлично отображает все цвета, причем под широким диапазоном углов. Диагональ такого монитора должна начинаться с 24 дюймов. Если вы увлекаетесь компьютерными играми, то также неплохим вариантом будет монитор с матрицей TN, обладающей хорошим откликом. Для профессиональных дизайнеров, веб-разработчиков и видео/фото-монтажеров лучше купить монитор с P-IPS матрицей, который великолепно передает всю цветовую гамму.
Проекционный
В основу принципа действия проекционных телевизоров заложен алгоритм передачи качественного изображения с минимизированного передатчика на большой экран. Передаваемое изображение формируется внутри самого проекционного телевизора, при посредстве небольшого источника, составленного из электрических трубок или жидкокристаллического дисплея. Дальше при помощи зеркал и оптических приспособлений его проецируют на подготовленный экран.
Каково устройство телевизора? Вся конструкция состоит из звуковой системы, проектора, панели управления и экрана. В моделях, предназначенных для домашнего использования, все составляющие заключены в общем корпусе. По этой причине они получаются габаритными. Проекционный способ передачи изображения позволяет совмещать мягкость и сочность полученной картинки, а также широкие возможности цветового разрешения. В дополнении изображение, передаваемое проекционными телевизорами, совершенно избавлено от зернистости, которая является недостатком кинескопов.
Жидкокристаллический
Устройство ЖК-телевизоров создано по принципу поляризации заданного светового потока, проходящего через кристаллы. LCD-панель представлена в виде двух слоев, состоящих из специального поляризованного стекла, которые соединяют вместе. Первый слой покрывают нужным полимером, в котором содержатся особые жидкие кристаллы. Затем ток электричества проходит через них, заставляя все кристаллы вращаться по определенной траектории. Тем временем, подвижные кристаллы пропускают сквозь следующий слой стекла необходимое количество света.

Для прохождения света сквозь жидкие кристаллы нужен внешний источник. Его располагают за пределами поляризованного стекла. Жидкие кристаллы пропускают сквозь себя свет ламп, а так как они находятся в определенном положении, то появляется изображение при помощи фильтра.
LED-телевизоры устроены иначе. Для подсветки жидкокристаллической матрицы здесь применяют светодиоды. Они потребляют намного меньше энергии, а также выдают большую яркость. Эти устройства обладают более качественной цветопередачей и более четкой контрастностью. А также у них увеличен срок службы и работа сопровождается меньшим тепловыделением. По ошибке некоторые люди считают эту систему устройством цифрового телевизора, однако, цифровое ТВ – это лишь способ передачи сигнала.
Частота обновления экрана ЖК монитора
Частота обновления экрана – это характеристика, которая обозначает количество возможных изменений изображения в секунду – количество кадров в секунду. Измеряется этот показатель в Гц. Частота обновления экрана влияет на качество изображение, в частности на плавность движений. Максимальный видимый предел частоты составляет 120 Гц. Частоту выше этого предела мы увидеть не сможем, поэтому увеличивать ее нет смысла. Однако для того, чтобы монитор смог работать на такой частоте необходима мощная видеокарта, которая сможет выдавать те же 120 Гц с запасом.
Помимо этого, частота обновления экрана влияет на органы зрения и даже на психику. Выражается такое воздействие в первую очередь на усталости глаз. При низкой частоте мерцания глаза быстро устают и начинают болеть. Кроме этого, у людей со склонностью к эпилепсии могут вызываться припадки. Однако в современных LCD мониторах используются специальные лампы для подсветки матрицы, которые имеют частоту свыше 150 Гц, а указываемая частота обновления больше влияет на скорость смены картинки, но не на мерцание дисплея. Поэтому LCD мониторы меньше всего влияют на органы зрения и организм человека.
ЖК-мониторы: принцип работы

- ЖК-мониторы: принцип работы
- Принцип работы ЖК-монитора
- Мультиплексорный экран
- Цветные экраны
- Пассивная матрица
- Активные матричные технологии
- Скрученный нематик (TN)
- 3LCD-технология
- IPS-технология
Жидкокристаллический дисплей (ЖКД) представляет собой тонкое плоское устройство отображения, составленное из некоторого числа цветных или монохромных пикселей, расположенных перед источником света или зеркалом.
В чем преимущество ЖК-монитора? Его высоко ценят инженеры, потому что он потребляет незначительное количество электроэнергии, что делает его пригодным для использования в электронных устройствах, питающихся от батареек. Кроме того, он может иметь практически любую форму и размеры, мало нагревается и не выделяет вредного электромагнитного излучения.
Также он является одной из причин успеха портативных компьютеров – иначе они бы не были такими компактными. Некоторые из ранних моделей переносных ПК включали небольшой ЭЛТ-монитор и были довольно громоздкими. Впоследствии ЖК-дисплеи стали использоваться не только в ноутбуках, но и в телевизорах высокой четкости. Поскольку со временем технология и производство становятся более дешевыми, стоимость мониторов с плоским экраном или HD-телевизоров продолжала снижаться. В конечном итоге ЖК-панели полностью заменили традиционные электронно-лучевые трубки, так же, как транзисторы сменили вакуумные лампы.
Тип матрицы
Если вы подбираете монитор, то также следует учитывать тип матрицы, который связан с такими важными характеристиками, как:
- Время отклика – временной отрезок, необходимый для изменения яркости пикселем. Это значение находится в пределах от 2 до 8 мск. Естественно, чем меньше это время, тем лучше. Если время отклика слишком длительное, то при резкой смене изображения, воспроизводящаяся картинка может смазаться.
- Контрастность и яркость. Яркость показывает разность между наиболее светлым и наиболее темным пикселями. Такой параметр, как контрастность динамическая не столь важен при выборе монитора.
- Цветопередача – параметр, показывающий, сколько цветов и оттенков может отобразить экран. Цветопередача особенно важна для видео-и фотомонтажеров, дизайнеров и прочих специалистов, чья профессия связана с изображениями.
- Угол обзора – при каких максимально допустимых углах обзора картинка не будет изменяться. Если этот параметр высокий, то вы сможете комфортно пользоваться компьютером, глядя на монитор с различных положений. Отличный показатель – 180 градусов слева направо с верху вниз. Однако этот параметр не столь важен, если вы пользуетесь монитором в рабочих целях.
Чтобы выбрать оптимальный монитор для решения строго определенных задач, еще необходимо разбираться в технологиях производства ЖК экранов. Сегодня большинство востребованных мониторов производятся по трем технологиям: TN+film, MVA/PVA и IPS. Каждый из этих видов имеет еще несколько подкатегорий, которые отличаются друг от друга незначительными параметрами.
- TN+film – старейшая технология производства ж/к мониторов. Отличается небольшим временем отклика (менее 2 мс), что благоприятно сказывается на отображении динамичных сцен. К недостаткам этого типа экрана можно отнести небольшой угол обзора, а также значительное ухудшение изображения при просмотре под большим углом. Стоит признать, что для некоторых данный недостаток окажется преимущество – сосед на работе не увидит, что вы делаете на компьютере. Цветопередача TN матриц и контрастность тоже не самые лучшие. Однако из-за доступной стоимости, этот тип мониторов до сих пор пользуется популярностью.
- MVA/PVA технология более дорогая по сравнению с предыдущей, однако обеспечивает больший угол обзора без ухудшения картинки. Также такие мониторы выдают лучшую контрастность. К недостаткам можно отнести исчезновение теней из мест, где не хватает освещения.
- Мониторы, изготовленные по технологии IPS, включают несколько разновидностей:
- IPS – самая востребованная технология, однако и одна из самых дорогостоящих. Отличается большим углом обзора без потери качества – до 178 градусов. Высокое качество передачи цвета и контрастность будут востребованы у дизайнеров и фотографов. Однако геймерам этот вариант может не подойти из-за длинного отклика – свыше 8 мс.
- H-IPS – матрицы, изготовленные по такой технологии, отличаются меньшим откликом по сравнению с предыдущей моделью, а также более качественной контрастностью.
- AH-IPS – мониторы с великолепной цветопередачей, имеющие высокую яркость, а также уменьшенное энергопотребление.
- E-IPS – более современная технология, обладая достоинствами базовой модели, имеет меньшую цену.
- P-IPS – профессиональная матрица, отличающаяся высококачественной цветопередачей.
- PLS – аналогичная технология от Samsung, который утверждает, что в его моделях более плотно расположены пиксели. По факту же, разница совершенно не заметна.
Матрица
Следующий критерий — это матрица. Не надо путать с матрицей фотоаппарата. Выбор ее достаточно невелик и ограничивается двумя наименованиями — VA и IPS. Рассмотрим их подробнее.
VA — один из самых востребованных типов матриц на рынке. Эта технология позволяет лучше блокировать свет и обеспечивать лучшую контрастность на рынке.
Однако, среди минусов следует отметить урезанные углы обзора и долгое время отклика. Поэтому этот тип матриц не используется для чего-то динамичного, а скорее для бытовых задач.
IPS — универсальный тип матриц. Подходит практически под любые задачи. Передача цветов здесь высокая, к тому же здесь отличная скорость работы и широкий угол обзора. Но, к сожалению, минусом здесь является невысокая контрастность.
Что такое монитор
Монитор — это устройство вывода информации в наглядной, визуальной форме. Является основным внешним компонентом компьютера. На нем устанавливается экран, который и выводит информацию.
Современные мониторы, как правило, представляют собой жидкокристаллический экран/дисплей со светодиодной подсветкой. Матрица дисплея может быть сделана по разным технологиям: IPS, TN, OLED, MVA, PVA и т.д. На данный момент самым оптимальным вариантом по качеству, углам обзора и скорости обновления кадров — Гц, является матрица IPS.
В старых же моделях использовалась технология электронно-лучевой трубки (ЭЛТ). Про них и телевизоры, сделанные на этой технологии, говорили, что они вредны и плохо влияют на зрение, т.к. глаза от них переутомляются и всегда в напряжении. К новым моделям, это не относится.
В начале своего появления их использовали исключительно, как инструмент для вывода информация с ПК, тогда как телевизоры использовались для развлечений, просмотра телепередач и игр. Затем их стали использовать и для развлечений, а в телевизорах появились некоторые функции ПК. Соотношение сторон менялось постепенно, раньше оно было 4:3, затем стало 16:10, а сейчас стандартом является 16:9.
Современные модели можно заменять телевизорами, разве, что на них скорее всего не будет колонок и точно встроенного ТВ тюнера. Технология экранов, устанавливаемая на них одинаковая.
Монитор состоит из:
- Экрана
- Микросхем
- Корпуса
- Источника питания
Сейчас их используют для вывода информации с самых разных устройств. Это может быть: компьютер, мобильное устройство, мини ПК, различная метеоаппаратура и другие.
Немного истории
На первых компьютерах не было установлено дисплеев для вывода информации, вместо этого там использовались лампочки. Каждая лампочка указывали на включение/выключение какой-либо функции и, по их состоянию, инженеры, управляющие компьютером могли контролировать его внутреннее состояние. Панель с этими лампочками назвали — монитор. Она позволяла мониторить работу компьютера.
Т.к. они позволяли отображать лишь ограниченный объем информации, для вывода основных данных программы использовали принтеры. Монитор служил устройством для отслеживания работы программы, а принтер был основным устройство вывода.
Со временем инженеры-разработчики осознали, что ЭЛТ экраны, которые появились, намного удобнее, чем простая панель лампочек. В конечном итоге заменили их на экраны. В начале их называли устройства визуального отображения (УВО), но затем вернулись к классическому — монитор.
Принцип работы жидкокристаллических экранов
Работа жидкокристаллических матриц основана на таком свойстве света, как поляризация. Обычный свет является неполяризованным, т.е. амплитуды его волн лежат в огромном множестве плоскостей. Однако существуют вещества, способные пропускать свет только с одной плоскости. Эти вещества называют поляризаторами, поскольку прошедший сквозь них свет становится поляризованным только в одной плоскости.
Если взять два поляризатора, плоскости поляризации которых расположены под углом 90° друг к другу, свет через них пройти не сможет. Если же расположить между ними что-то, что сможет повернуть вектор поляризации света на нужный угол, мы получим возможность управлять яркостью свечения, гасить и зажигать свет так, как нам хочется. Таков, если описывать вкратце, принцип работы ЖК-матрицы. Конкретную реализацию этого принципа в разных матрицах мы рассмотрим ниже.
В упрощенном виде матрица жидкокристаллического дисплея состоит из следующих частей:
Какую матрицу выбрать?
Перед тем, как покупать плазменную панель нужно обратить внимание на 2 фактора: стоимость изделия и собственные требования. На рынке имеется огромное количество ТВ с разными матрицами
После того, как ценовая политика была определена, решите, где и для чего нужен телевизор:
- Для дачи, кухни или офиса отлично подойдёт ТВ с матрицей TN. Они имеют небольшие размеры (около 32 дюймов). TN матрицу можно выбрать, если экран будет использоваться в качестве монитора для игр.
- Для домашнего кинотеатра лучше отдать предпочтение IPS и VA. Телевизоры с такими технологиями хорошо отображают видеозаписи любого формата независимо от угла обзора. Использовать IPS и VA можно для презентаций, где важна чёткость фото.
- Для частного просмотра каналов в кругу семьи, подойдёт VA. Телевизоры стоят недорого. Качество изображения не высокое.
Телевизоры LG
Южнокорейская компания LG считается одним из ведущих производителей в мире по выпуску электроники для бытового использования. Товары этой марки всегда обладали большим спросом среди потребителей на всех мировых рынках. Таких результатов удалось добиться благодаря исключительному качеству фирменных образцов и применению новейших технических разработок. Это хорошо подтверждают последние модели LED-телевизоров марки LG. Они отличаются улучшенным качеством изображения, однако, имеют меньшую стоимость, чем аналоги конкурентов.

Устройство телевизоров LG объединяет ряд поколений. Сюда включены основные модели, которые были созданы на базе LED-технологий, и еще более новая разработка фирмы под названием OLED-TV. Следующая модель отличается использованием новейшей матрицы, в которой применены органические светодиоды. Такой подход к производству вывел качество изображения на новый уровень.
Пассивная матрица
Устройство ЖК-мониторов с небольшим количеством сегментов, например, используемых в карманных калькуляторах и цифровых часах, предусматривает для каждого элемента один электрический контакт. Внешняя выделенная схема обеспечивает электрический заряд, необходимый для управления каждым сегментом. При большом количестве экранных элементов такая структура становится слишком громоздкой.
Малые монохромные дисплеи, используемые, например, в старых ноутбуках, имеют структуру пассивной матрицы, в которой используется технология суперскрученных нематических элементов (STN) или двухслойная STN (DSTN), которая корректирует проблему смещения цвета. Каждая строка или столбец имеют одну электрическую цепь. Адресация каждого пикселя производится поочередно по адресу строки и столбца. Такой тип дисплея называют пассивной матрицей, поскольку состояние каждой ячейки должно сохраняться без электрического заряда. С ростом числа элементов (а также строк и столбцов) отображение становится все более сложным. Дисплеи с пассивной матрицей характеризуются слишком медленным откликом и плохой контрастностью.
Типы ЖК матриц
В мире существует несколько типов LCD матриц, однако на отечественном рынке встречается только два вида:
- TN+Film;
- IPS.
Оба варианта имеют достаточно высокие характеристики. Если говорить о том, какой вариант лучше выбрать, то следует отметить, что все больше производителей отдают предпочтение IPS матрицам, так как они позволяют передать более естественные цвета.
Конечно, как и в любой другой технологии, здесь также есть свои плюсы и минусы. IPS матрицы отличаются отличным качеством изображения, высокой четкостью и прекрасной цветопередачей. Однако при этом имеют медленный отклик. Современные технологии позволили улучшить этот показатель до высокого уровня.
TN+Film матрицы уступают по качеству и четкости изображения. Однако при этом они имеют быстрый отклик, который позволяет таким мониторам отображать самые яркие спецэффекты и быстрые видео записи. Однако стоит понимать, что все эти измерения проводятся при помощи специальной техники. В домашних условиях вы вряд ли сможете заметить существенную разницу между этими матрицами. Поэтому выбор остается за вами.
Источник света
Изначально источником света для ЖК-экранов были газоразрядные лампы с холодным электродом (CCFL).

Под действием газового разряда ртуть излучает ультрафиолетовое свечение, которое, в свою очередь, возбуждает люминофор на стенках колбы и превращается в видимый свет. В отличие от обычных ламп дневного света, у таких ламп электрод без подогрева (что становится ясно из названия). Для нормальной работы им нужно высокое напряжение — до 900 вольт.
Сейчас вместо газоразрядных ламп используют светодиоды. От их типа сильно зависит конечная цена монитора. Так, в бюджетном сегменте используются обычные белые светодиоды W-Led. Основой для белых светодиодов служат синие светодиоды. 
Они покрыты слоем люминофора, который преобразует часть синего спектра в другие цвета. В результате из синих светодиодов получаются белые светодиоды.

Обычный люминофор для белых светодиодов состоит из множества редкоземельных металлов: иттрий, гадолиний, церий, тербий, лантан.
В профессиональных устройствах подсветку из белых светодиодов дополняют зелеными светодиодами (GB-LED). Это дешевле люминофора, дающего нужный спектр. Использование же RGB-светодиодов даже в профессиональных устройствах — редкость, хотя это позволяет регулировать цветовую температуру и яркость без нарушения калибровки гамма-кривых монитора.
В последнее время производители обратили внимание не только на обычные люминофоры, изготавливаемые из редкоземельных металлов, но и на квантовые точки.

Квантовые точки не требуют использования редких компонентов и просты в производстве: достаточно в правильных условиях смешать два дешевых реактива. Из-за того, что идеально выдержать условия невозможно, квантовые точки имеют небольшие различия в размере, поэтому ширина спектра излучения составляет порядка 20 нм.

Такой ширины спектра недостаточно для того, чтобы перекрыть REC.2020 на 100%, но это значение находится очень близко.
Что такое ЖК монитор
1.1. Принцип работы ЖК монитора
Для начала стоит разобраться, что же такое ЖК монитор. Для этого нужно понять, что такое LCD-дисплей. Как вы, наверное, уже догадались LCD это некое сокращение, полностью название имеет следующий вид – Liquid Crystal Display. В переводе на русский язык это означает жидкокристаллический дисплей. Таким образом, становится понятно, что ЖК и LCD – это одно и то же.
Данная технология построена на использовании специальных молекул жидких кристаллов, которые имеют уникальные свойства. Такие мониторы отличаются рядом неоспоримых преимуществ. Для того чтобы их понять стоит более детально разобрать принцип работы ЖК мониторов.

























































