Подбор коэффициента усиления
Представленный критерий отвечает за прием и расшифровку входящего сигнала с конкретным качеством. При этом показатель усиления зависит от значения КУ
При подборе важно учитывать – мощность усилителя должна превышать параметр антенны. Иначе он не принесет должного результата, и вы не заметите улучшенное качество
В основном для DVB-T2 выбирают КУ 32 дБ. Такого показателя будет вполне достаточно для кабеля, длина которого не превышает 32 метров. Но, также не менее важным является выбор самой антенны. Учтите – при недостаточном уровне сигнала, усиление вызовет большие шумы.
Дополнительно вы можете увеличить длину кабеля, но это приведет к ослаблению входящего сигнала. Подобрать наиболее точный показатель коэффициента нельзя. Но, вы можете узнать примерное значение.
Делаем своими руками
Усилитель представляет собой некоторую плату или отдельное стационарное устройство, которое крепится к кабелю или антенне. Рынок предлагает широкий ассортимент подобных устройств, но при желании можно сделать самодельный усилитель. Компоненты для этого понадобятся самые обычные. И их можно найти в любом месте, где продаются детали для радиотехники.
Для их сборки, правда, нужно обладать некоторыми познаниями в электронике и опытом в спайке элементов. Но если вы всё же собираетесь сделать антенный усилитель своими руками, приведём некоторые схемы с описанием.

- Схема усиливающего устройства на базе микросхемы max2633:
- VT – max2633;
- R = 1 кОм;
- Все конденсаторы ёмкостью 1 нФ.
Необходим источник постоянного тока с напряжением 2.8-5.2 В. Схема не требует настройки, даёт уровень шума около 2 дБ и КУ около 13 дБ, понизить который можно путём увеличения сопротивления. Подходит для комнатных антенн, предназначена для ультракороткого волнового диапазона, обеспечивает частоту до 900 МГц.
Далее рассмотрим, как сделать схемы широкополосных усилителей.

- Схема на транзисторе, включённом по принципу общего эмиттера:
- VT1 – KT368;
- C1=1000 пФ, C2=33 пФ, C3=C4=15 пФ;
- R1=R4=10 Ом, R2=470 Ом, R3=51 кОм.
Данная схема требует источник напряжения 9 В и имеет высокий КУ. Коэффициент усиления и частотные характеристики могут меняться в зависимости от используемого транзистора.

- Схема на транзисторе, включённом по принципу общей базы:
- VT1 – KT315;
- C1=1000 пФ, C2=33 пФ, C3=C4=15 пФ;
- R1=51 Ом, R2=10 кОм, R3=15 кОм, R4=1 кОм.
Катушка индуктивности L или дроссель наматывается на ферритовом кольце с проницаемостью 600 Н. Для метрового диапазона нужно 300 витков из провода ПЭВ с сечением 0.1 мм.
Эта схема отличается от предыдущей меньшим КУ, но большей полосой частот.

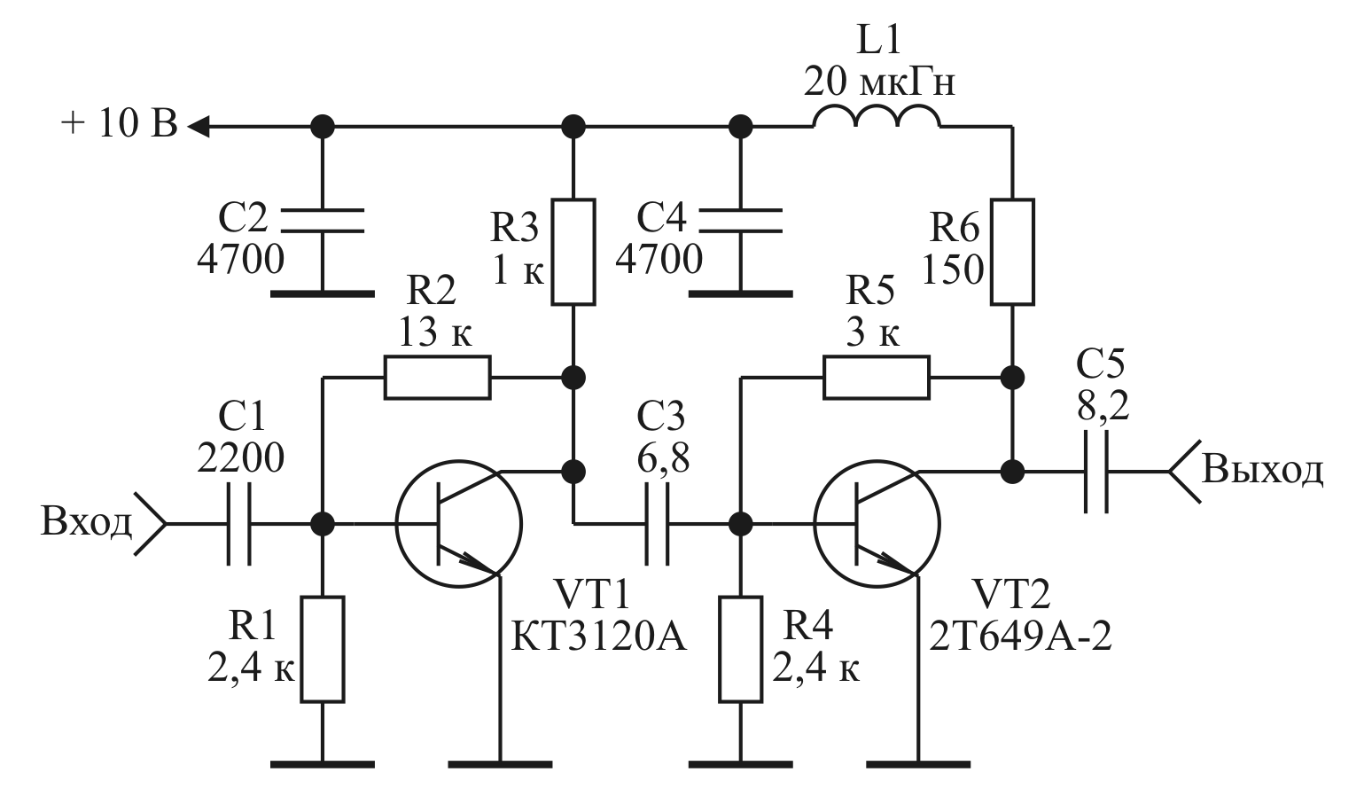
- Двухкаскадная ДМВ-схема своими руками. Это ещё один вариант, как усилить сигнал антенны телевизора:
- VT1= VT2 – ГТ311Д;
- C1=1000 пФ, C2=33 пФ, C3=C4=15 пФ;
- R1=680 Ом, R2=75 кОм, R3=1 кОм, R4=150 кОм;
- L1=100 мкГН, L2=25 мкГн, L3 – катушка на бескаркасной основе с диаметром 4 мм из провода ПЭВ (0.8 мм), состоящая из 2.5 витков.
Для схемы нужен источник питания 12 В.
Повышать КУ можно путём добавления каскадов, но при этом будет возрастать и коэффициент шумов. Поэтому нужно бороться с ними, используя различные фильтры и малошумящие транзисторы.

Чтобы собрать прибор, усиливающий сигнал антенны для телевизора своими руками, нужно для всех схем:
- Подготовить элементы и расходные материалы;
- Изготовить печатную плату;
- Запаять все компоненты;
- Проверить схему на работоспособность;
- Подключить к антенне и ТВ-приёмнику.
Как правильно усилить цифровое ТВ
Подбор коэффициента усиления
Определите, какой должна быть степень усиления телесигнала. Территория, на которой возможен прием DVB-T2, делится на 3 условных зоны:
- Близкое расстояние до ретранслятора (от сотен метров до 5–10 км). На такой дистанции усилитель не нужен, достаточно качественной пассивной антенны.
- Среднее расстояние (15–30 км). Здесь прибор уже будет полезен, но коэффициент надо подбирать так, чтобы в итоге мощность сигнала не превысила порогового значения. Если телесигнал слишком мощен, телевизор или ресивер не смогут его корректно интерпретировать и прием будет невозможен.
- Дальнее расстояние (30 км и более). Здесь беспокоиться о чрезмерной мощности сигнала не приходится. Однако регулировка коэффициента усиления тоже будет полезной.
Также учитывайте коэффициент усиления, которым обладает используемая антенна. Исходить нужно из правила: коэффициент усилителя должен быть выше, чем у антенны, иначе прибор бесполезен.
Узнать значение можно двумя способами:
Регулировка усиления производиться по такой схеме:
- Подключите антенну при минимальном расстоянии до телевизора. Если прием нормальный, то из значения ее собственного коэффициента усиления станут ясны минимальные требуемые параметры.
- Подключите антенну, находящуюся на ее штатном месте, через усилитель. Коэффициент должен быть чуть больше, чем у самой антенны. Если передачи принимаются без помех, то другие шаги не нужны.
- Если телевизор или ресивер показывает, что нет сигнала, увеличивайте усиление до тех пор, пока не начнется нормальный прием.
- Если цифровые каналы перестали показывать, хотя сигнал есть, или же на экране началось наложение видеоряда с нескольких программ, усиление слишком велико, его надо уменьшить.
Хорошая видеоинструкция по подбору:
Подключение усилителя
При выборе места установки руководствуйтесь правилом: чем ближе к антенне, тем лучше.
В идеале следует использовать активную антенну, где блок усиления встроен в нее саму. Если такой возможности нет, размещайте усилитель там, где антенный кабель входит в помещение, а затем тяните трассу к телевизору.
Если ТВ-приемников несколько, делайте пересечение проводов под прямым углом. Это уменьшит наводку кабелей друг на друга. В итоге качество сигнала повысится.
Предыдущая
АнтеннаДелаем цифровую антенну из обычных пивных банок
Следующая
Антенна10 лучших антенн для приема эфирного цифрового ТВ
Конструкция антенного кабеля
Для переноса в телеприёмник электрических радиосигналов потребуется коаксиальный кабель, который включает в себя центральный проводник и экран, расположенные соосно и разделённые диэлектриком.
Принцип устройства:
- Центральная жила выполняет функцию проводника радиочастотных волн.
- Внутренний изолятор отделяет главную жилу от экранирующего материала, предупреждает замыкание.
- Экранизирующий слой служит защитой от помех. Включает в себя оплётку, плёнку, фольгу либо их сочетания.
- Внешний изолятор оберегает провод от влаги, грязи, атмосферных воздействий, механических повреждений.
Блок питания
Как правило, конструкция антенного усилителя снабжена встроенным блоком питания. Устройство подключается к сети и, за счёт своей небольшой мощности, потребляет всего лишь около 10 Вт. Существуют встроенные и внешние блоки питания. Встроенные блоки питания — это маломощные устройства небольшого размера. При нестабильной работе электрической сети от них мало толку. Однако если скачки напряжения большая редкость — его будет вполне достаточно.
Внешние блоки питания отличаются крупными габаритами и потребляемой мощностью. Они предоставляют стабильную работу антенного усилителя даже в условиях нестабильной сети. Подобные блоки питания предназначены для различного входного напряжения: 5, 12, 18, 24 В. Этот параметр должен точно соответствовать напряжению питания конкретно вашего усилителя.
Как выбрать хорошую антенну с усилителем?
Чтобы от приобретенного оборудования получить максимальную отдачу необходимо учитывать следующие факторы:
- Удаленность ближайшего ретранслятора телевизионного сигнала. Принято считать максимальным расстоянием 150 километров, но сильно усредненное значение, поскольку многое зависит как от типа местности, так и мощности телевизионной вышки. Например, находясь в низине можно не получать уверенный сигнал даже от близко расположенного ретранслятора. В этом случае исправить ситуацию поможет установка мачты под антенну.
- В каком частотном диапазоне будет работать оборудование. Необходимо учитывать, что характеристики широкодиапазонных антенн уступают узконаправленным. Это говорит о том, что для зоны уверенного приема вполне подойдет «всеволновка», соответственно, для получения сигнала с удаленного ретранслятора лучше предпочесть конструкцию под определенный диапазон частот (МВ, ДМВ, УКВ). Но здесь тоже необходимо учитывать особенности и характер местности, например, избавиться от отраженного сигнала можно только с помощью узконаправленной антенны.
Определившись с антенной, переходим к выбору усиливающего устройства для нее
Первое на что необходимо обратить внимание – коэффициент усиления (указывается в децибелах). Как правило, при расстоянии до 10 километров до ретранслятора, в усилителе нет необходимости. Необходимо обратить внимание, что не стоит сильно увлекаться высоким показателем этого параметра, поскольку при высокой мощности может произойти «возбуждение» устройства, и как следствие этого, появятся помехи, проявляющиеся в виде «белого снега» на картинке
Ниже приведена таблица для оборудования SWA, в которой указаны основные характеристики для каждой модели, а также соотношение коэффициента усиления и дальности до источника сигнала
Необходимо обратить внимание, что не стоит сильно увлекаться высоким показателем этого параметра, поскольку при высокой мощности может произойти «возбуждение» устройства, и как следствие этого, появятся помехи, проявляющиеся в виде «белого снега» на картинке. Ниже приведена таблица для оборудования SWA, в которой указаны основные характеристики для каждой модели, а также соотношение коэффициента усиления и дальности до источника сигнала. Таблица соответствия мощности антенного усилителя к удаленности от телевышки
Таблица соответствия мощности антенного усилителя к удаленности от телевышки
Вторая важная характеристика – уровень шумов (указывается в децибелах) производимых устройством в процессе работы. Чем меньше этот показатель, тем лучше.
Естественно, что при выборе необходимо учитывать тип антенны, допускается устанавливать широкополосное устройство на узкодиапазонный приемник сигнала, но не наоборот.
Принцип работы антенного усилителя
Усилитель сигнала телевизионной антенны – это малое устройство, позволяющее создать импульс, возникший при взаимодействии электромагнитной волны, мощнее за принятый до этого. Антенный адаптер работает по алгоритму:
- Антенна состоит из проводника, по которому проходит электромагнитная волна (со скоростью света).
- В результате прохождения волны в проводнике появляется импульс тока, но недостаточный, для восприятия его телевизором или ТВ-тюнером, что принимают сигнал.
- Импульс тока поступает на адаптер, который его фиксирует.
- С помощью тока напряжением от 5 до 12 вольт формируется копия поступившего сигнала, но уже в разы большей мощностью.
- Дублирующий сигнал высокой мощности выходит из усилителя по пути далее на дешифратор ТВ-тюнера (внешнего ресивера или внутреннего в телевизоре), который превращает его в звуковую дорожку и видеоряд.
Какие бывают усилители
Приборы, усиливающие телевизионный сигнал, различаются по классификации и конструкции.
Существуют устройства для антенны цифрового ТВ и для аналогового сигнала. Они имеют блок питания, как внешний, так и внутренний. Внешний блок габаритнее внутреннего, его входное напряжение зависит от усилителя, может потреблять 5, 12, 18 или 24 В. Внутренний блок потребляет до 10 В, ему требуется стабильное напряжение электричества. При скачках напряжения может выйти из строя. Если блок перегорит, придется менять всю антенну полностью.
Разновидности усилителей в зависимости от принимаемой частоты
Устройства по классификации различают на:
Широкополосные
Эти модели способны обхватить широкий диапазон усиливаемых частот. Как правило, используются, если сигнал телеантенны неплохой, но не дает идеального изображения.
Диапазонные
Предназначены для приема частот либо метровых (МВ) – от 30 до 300 МГц, либо дециметровых (ДМВ) – от 300 до 3000 МГц. Могут применяться, если телесигнал очень слабый. Для цифрового ТВ требуется диапазон дециметровых частот.
Многодиапазонные
Модели с отдельной регулировкой разных диапазонов.
По требуемому напряжению делят на следующие виды:
Пятивольтовые.
Их подключают с помощью коаксиального кабеля и закрепляют к антенне.
Двенадцативольтовые.
Эти устройства работают с блоком питания.
Как выбрать усилитель для цифрового ТВ
Критерии выбора активного модуля будут зависеть как от технических характеристик самого прибора, так и от внешних факторов, например, места размещения антенны
Первое, на что нужно обратить внимание, – это рабочий диапазон. Данный параметр связывает сразу три устройства: ТВ-приемник, антенну и усилитель
Рекомендуется выбирать изделие, функционирующее в диапазоне 470-862 МГц и обладающее коэффициентом усиления не менее 30дБ. Снаружи рекомендуется устанавливать приборы, имеющие дополнительную защиту от влаги. Не менее важным критерием при выборе считается уровень шума. Хорошее качество трансляции будет гарантировано, если данный показатель не превышает 3дБ. Современные изделия обладают и более низкими значениями – до 2 дБ.
Коэффициент усиления – это еще один важный параметр, но не стоит ошибочно полагать, что чем он выше, тем более качественным будет прием. Избыточное усиление способно привести к перезагрузке или так называемому клиппингу. Для дециметровых конструкций данная характеристика должна варьироваться в пределах 30-40 дБ.
При выборе активного модуля рекомендуется ориентироваться на расстояние до ближайшей телевышки. Когда дистанция не превышает 10-12 км, использование активных компонентов не имеет смысла. Также изделие будет считаться бесполезным, когда ретранслятор находится на слишком большом расстоянии. Современные изделия бытового плана принимают сигнал на расстоянии не более 120-140 км. Исходя из принципа действия прибора, усилители бывают активными и пассивными. Первый тип устройства работает только при подключении к электросети.
Если решили купить усилитель, какой брать?
Итак, если вы четко определились с вопросом о том, что вам просто крайне необходимо приобрести и установить усилитель телевизионного сигнала, то следует разобраться, какая же модель вас может устроить. Точнее, с какими характеристиками, потому что навязывать определенный бренд в этом обзоре мы вам не собираемся.
В современных магазинах имеется столь широкое предложение самых разнообразных усилителей сигнала, что неподготовленному покупателю легко запутаться. В таком случае ему грозит ненужная или неподходящая вещь, о приобретении которой он лишь пожалеет
Как же тогда выбирать? На что обращать основное внимание?

Основные параметры усилителя, которые следует принимать во внимание
Этих параметров немного, но о них лучше знать заранее. К ним относятся:
- какой уровень максимально возможного усиления сигнала. Стандартной единицей измерения является децибел (дБ);
- какой уровень шума издает усилитель при работе. Единицей измерения опять является децибел (дБ);
- каковы параметры рабочего напряжения у конкретного устройства;
- каков рабочий уровень потребления энергии.
Зная перечисленные выше параметры, вы сможете сделать правильный выбор и приобрести то устройство, которое оптимально подойдет под ваши приборы и будет успешно работать в конкретных обстоятельствах: расположении вашего дома, типу и расположению антенны, а также типу телеприемника.
Когда усилитель антенны приобретен, встает вопрос его установки. Лучшим вариантом было бы укрепить его на самой антенне. Это позволить свести к минимуму появление шумов. После установки устройства он сам сможет управлять интенсивностью принимаемого сигнала. Внутренний регулятор в усилителе предназначен именно для этого. Но даже если вы вдруг купите не ту модель усилителя, расстраиваться не нужно, ведь в течение определенного срока вы всегда сможете вернуть или обменять товар в магазине. Следует лишь внимательно относиться к рекомендациям специалистов и не спешить покупать под влиянием различных эмоций.
Как выбрать
Многих интересует, как подобрать антенный усилитель для телевизора, чтобы тот перестал снежить, и картинка была четкой. Для правильного выбора надо знать хотя бы приблизительно несколько параметров:
- расстояние до ближайшей передающей станции;
- какой диапазон частот вам нужен;
- тип антенны, которая у вас уже стоит.
В зависимости от расстояния до телецентра необходимо выбрать прибор для телевизора с соответствующим коэффициентом усиления. Максимальное расстояние может составлять около 150 км. При расстоянии до передающей станции менее 10 км антенный усилитель для телевизора не устанавливается, достаточно правильно подобранной антенны.
Гоняться за высоким коэффициентом усиления не надо, поскольку такие приборы могут самовозбуждаться, производить сильные шумы.
Это тот случай, когда важно знать меру. По этой же причине к одинаковым антеннам выпускается много моделей усилителей с разнообразными характеристиками
Существуют специальные таблицы, облегчающие подбор устройства, и опытному мастеру, зная условия приема, не составит труда это сделать.
Если на универсальную антенну установить широкополосный усилитель, то он будет захватывать весь диапазон доступного вам телевизионного вещания. В большинстве случаев именно так и делают.

Виды антенных разветвителей
Под данным термином понимается несколько видов приборов, каждый из которых предназначен для выполнения конкретных задач. Сплиттеры помогают распределять сигнал между двумя и более выходами. Например, на входе уровень сигнала находится на отметке 12 дБ, и в случае двойного деления на выходе изделия он составит 6 дБ, при тройном – 4 дБ и т.д.
Для соединения нескольких сигналов в один применяются приборы под названием «сумматоры». Большинство диплексеров функционируют в двух направлениях. Благодаря их универсальности, они также используются в качестве сплиттера. Как правило, подобные изделия нужны в ситуациях, когда необходимо подать совместный сигнал от обычной приемной конструкции и спутниковой тарелки.
Третий вид разветвителей – ответвители – представляют устройства, используемые для создания магистральной сети, например, при распределении сигнала в квартиры многоэтажки.
В бытовых условиях применяются сплиттеры, рассчитанные на 2, 3, 4, 6 или 8 выходов. Наиболее качественными считаются те изделия, которые оснащены высокочастотными трансформаторами с большим сопротивлением. Имеются у них и несколько недостатков – это высокая цена и возможность деления сигнала лишь в двух направлениях. Если необходим антенный разветвитель на 3 телевизора (или больше), рекомендуется выбрать прибор с последовательно установленными резисторами.
«>
Устройство и принцип работы усилителя сигнала телевизионной антенны
Усилители ТВ-сигнала для дачи или квартиры имеют достаточно простое устройство. Это две платы, которые соединены друг с другом посредством специальной схемы, применяемой для снижения количества шума, который может генерироваться в процессе работы. Для регулировки частотного диапазона колебательный контур снабжается конденсатором, а входной играет роль высокочастотного фильтра.
Он имеет ряд рабочих частот. В первом диапазоне генерируемые частотные характеристики приближены к 48,5 МГц, во втором они равны 160 МГц. Наличие резисторов в принципиальной схеме обеспечивает возможность выставления нужных режимов.
Плата имеет набор конденсаторов и резисторов, необходимых для достижения нужных характеристик Путём изменения сопротивления можно добиться выставления напряжения в 5 В и силы тока в 5 А. Это обеспечивает максимальное усиление сигнала на дельту в 4,7 дБ при частоте 400 МГц.
Многие представленные антенные усилители для телевизора, купить которые можно в магазинах электроники, требуют для питания источник в 12 В. Это даёт возможность их подключения к автомобильному аккумулятору. Чтобы добиться корректной работы, можно применять стабилизатор в виде диодного моста и электролита. При наличии нескольких телевизоров, их подключение к усилителю происходит через специальный разветвитель Допускается подключение усилителя для телевизионной антенны для дачи прямо к источнику через коаксиальный кабель, но в этом случае потребуется использование дросселя. Непосредственно телевизионный приёмник подсоединяется через конденсатор. Работа усилителя спутникового сигнала осуществляется по следующему принципу:
- поступающий от антенны сигнал проходит через согласующий трансформатор;
- далее он поступает на первый транзистор, который соединён к общим эмиттером;
- в последнем осуществляется усиление сигнала с параллельной стабилизацией рабочей точки;
- далее линейный сигнал поступает на второй каскад транзисторов, где осуществляется частотная коррекция;
- на выходе происходит отправление усиленного сигнала в телевизор.
К СВЕДЕНИЮ! Во избежание потерь при усилении один из резисторов присоединён к конденсатору малой ёмкости одинакового тока, что помогает откорректировать АХЧ устройства.
Преимущества и недостатки антенных усилителей
У антенных телеусилетей есть ряд отличительных особенностей, которые удобнее рассмотреть в виде небольшой таблички.
Плюсы и минусы
Возможность улучшения качества трансляции в несколько раз в зависимости от особенностей и функционала антенны.
Возможность настраивать телевизионные каналы, имеющие слабый уровень сигнала. К примеру, «Первый канал» на аналоговом ТВ.
Увеличения диапазона частот работы каналов.
Блокировка большего числа помех, что стабилизирует изображение, делает его качественнее.
Возможность искажения видеопотока при использовании нескольких устройств одновременно.
Высокая стоимость на качественные модели.
Высокая вероятность быстрого выхода из строя под воздействием внешних фактором, если антенна установлена на улице.
Сложность монтажа, необходимость в постоянной проверки качества передаваемой картинки при установке усилителя на антенну, а также его частичной разборки.

Как выбрать нужный товар в интернет-магазине
Озадачившись покупкой качественного оборудования, важно понимать, что это устройство должно иметь хороший коэффициент усиления и не конфликтовать с имеющейся в наличии телеантенной. Кроме того, немаловажный фактор – шумы, которые может издавать непосредственно сам прибор
На что обратить внимание нужно еще? На возможность устройства получать питание от напряжения, формируемого тюнером. Идеальный вариант – прибор, которому нужно напряжение 5 В
Также следует сразу определиться, где будет находиться усилитель. Какой он нужен: встроенный или внешний? Будет крепиться в помещении или в уличной зоне? Нужен ли ему прочный корпус или можно обойтись без него? Как далеко находится приемник от источника сигнала? Достаточно ли приобрести самую простую модель либо требуется прибор с регулировкой и с отключением усиления?
Особенности выбора данного вида оборудования заключаются еще и в том, что легко оказаться жертвой недобросовестных продавцов, готовых продать подделку под маркой известного бренда. Обезопасить себя от таких сомнительных операций можно, совершая покупки на торговых площадках официальных представителей компаний.
Самое простое правило опытного покупателя – взглянуть на контактную информацию продавца, где должны быть:
- Фирменное наименование магазина;
- Юридический адрес компании;
- Фактический адрес магазина;
- Кнопка обратной связи с номерами телефонов либо адресом электронной почты и указанием официального сайта компании-производителя.
- Название страны-изготовителя товара (для иностранных лотов);
- Точную цену на товар и разъяснение порядка оплаты;
- Информацию о доставке товара, а также сроках и условиях его возврата.
Если эти данные отсутствуют, покупка может стать большим разочарованием.
Эти советы по выбору помогут легко и просто совершить нужную покупку.
Правильно подобрав прибор нужной конструкции, не конфликтующей с телеантенной, можно вернуть телевизору качественное изображение, независимо от того, на каком расстоянии находится телевышка.
Если у Вас есть опыт в выборе и покупке усилителей, оставьте свой комментарий. Какой фирмы лучше приобрести прибор? Какие конструкции действительно выполняют свою роль, а какие только прикидываются помощниками антенны? Ваше мнение поможет сделать правильный выбор другим гостям сайта «Янашла».
Что представляет собой усилитель телевизионного сигнала?
Существует большое количество разновидностей различных телевизионных усилителей, которые по своей конструктивной особенности могут быть широкополосными, диапазонными, могут быть и многодиапазонными с возможностью распределения сигнала на несколько приемников. Антенные усилители могут быть также рассчитаны как на дальний, так и на близкий приём сигнала.
На известных «польских» антеннах и прочих решетчатых аналогах чаще всего устанавливают широкополосное устройство SWA и LSU. При выборе такого устройства стоит обращать на показатель коэффициента шума. Он должен быть по возможности максимально низким. Данные устройства работают, как правило, от 49 до 790 МГц.
Диапазонные устройства получили не самое широкое распространение, чаще всего их применяют в том случае, если штатный усилитель вышел из строя. Известные многодиапазонные изобретения Alcad и Terra способны раскладывать входной канал на несколько составляющих. Вообще прямое их предназначение – приём нескольких потоков и сложение их воедино.
Правильно подобранный антенный усилитель может значительно улучшить качество сигнала
Критерии правильного выбора
Процедура выбора усиливающего устройства не особенно сложна. Это оборудование предназначено для улучшения качества эфирного приёма, поэтому его выбор будет обусловлен, прежде всего, качеством входящего сигнала, которое и сориентирует вас на подключение устройства с подходящим коэффициентом усиления.
Но не забывайте, что при слабом сигнале в вашей местности важно учитывать собственный коэффициент усиления антенны, а также высоту её размещения. А усилитель будет полезным тогда, когда расстояние от антенны до декодера будет значительным, и придётся усиливать сигнал, чтобы уменьшить его потери в кабеле
Выбирая усилитель сигнала для антенны, также важно руководствоваться не только его усилительными возможностями. В равной степени здесь участвуют и параметры собственного шума устройства
Как уровень сигнала, так и его качество в самом начале вашей квартирной телесети будут иметь решающее влияние на правильное функционирование всей установки, обеспечивая чёткое и безупречное вещание в телевизоре.
Хороший усилитель для антенны телевизора может питаться от напряжения, которое формирует сам тюнер – это даёт неплохой шанс для финального качества видео. Поэтому лучше приобретать устройства, в которых микросхема питается от 5 Вольт.







