Схема простого микрофонного предусилителя на одном транзисторе
Данная схема микрофонного предусилителя работает как с динамическим, так и с электретными микрофонами.
При использовании электретного микрофона, для смещения напряжения на микрофоне, необходимо установить сопротивление R1

микрофонный усилитель на одном транзисторе
Поскольку эта схема микрофонного усилителя для динамического микрофона, то при использовании электродинамического микрофона его сопротивление должно быть в диапазоне от 200 до 600 Ом. При этом конденсатор C1 необходимо поставить до 10 мкф. Если это будет электролитический конденсатор, то его плюсовой вывод необходимо подключить в сторону транзистора.
Питание осуществляется от батареи крона или же от стабилизированного источника питания. Хотя лучше от батареи, чтобы исключить шумы. Биполярный транзистор BC547 можно заменить на отечественный КТ3102. Конденсаторы электролитические на напряжение 16 вольт. Для предотвращения помех, подключать предусилитель к источнику сигнала и к входу усилителя необходимо экранированным проводом. Если необходимо дальнейшее мощное усиление звука, то можно собрать усилитель на микросхеме TDA2030.
Схема простого микрофонного предусилителя на одном транзисторе
Данная схема микрофонного предусилителя работает как с динамическим, так и с электретными микрофонами.

Работа электретных микрофонов базируется на возможности определенных видов материалов с повышенной диэлектрической проницаемостью (электретов) менять поверхностный заряд под воздействием акустической волны. Данный тип микрофонов отличается от динамического высоким входным сопротивлением.
При использовании электретного микрофона, для смещения напряжения на микрофоне, необходимо установить сопротивление R1
микрофонный усилитель на одном транзисторе
Поскольку эта схема микрофонного усилителя для динамического микрофона, то при использовании электродинамического микрофона его сопротивление должно быть в диапазоне от 200 до 600 Ом. При этом конденсатор C1 необходимо поставить до 10 мкф. Если это будет электролитический конденсатор, то его плюсовой вывод необходимо подключить в сторону транзистора.
Питание осуществляется от батареи крона или же от стабилизированного источника питания. Хотя лучше от батареи, чтобы исключить шумы. Биполярный транзистор BC547 можно заменить на отечественный КТ3102. Конденсаторы электролитические на напряжение 16 вольт. Для предотвращения помех, подключать предусилитель к источнику сигнала и к входу усилителя необходимо экранированным проводом. Если необходимо дальнейшее мощное усиление звука, то можно собрать усилитель на микросхеме TDA2030.
Малошумящий УНЧ для микрофона на К548УН1А
На рисунке 1 представлен пример УНЧ на основе специализированной микросхемы — ИС К548УН1А, содержащей 2 малошумящих ОУ. ОУ и УНЧ, созданный на базе этих ОУ (ИС К548УН1А), рассчитаны на однополярное напряжение питания 9В — ЗОВ. В приведенной схеме УНЧ первый ОУ включен в варианте, который обеспечивает минимальный уровень шумов ОУ.

Рис. 1. Схема УНЧ на ОУ К548УН1А и варианты подключения микрофонов: а — УНЧ на ОУ К548УН1А, б — подключение динамического микрофона, в — подключение электретного микрофона, г — подключение удаленного микрофона.
Элементы для схемы на рисунке 1 :
- R1 =240-510, R2=2.4к, R3=24к-51к (подстройка усиления),
- R4=3к-10к, R5=1к-3к, R6=240к, R7=20к-100к (подстройка усиления), R8=10; R9=820-1.6к (для 9В);
- С1 =0.2-0.47, С2=10мкФ-50мкФ, С3=0.1, С4=4.7мкФ-50мкФ,
- С5=4.7мкФ-50мкФ, С6=10мкФ-50мкФ, С7=10мкФ-50мкФ, С8=0.1-0.47, С9=100мкФ-500мкФ;
- ОУ 1 и 2 — ОУ ИС К548УН1А (Б), два ОУ в одном корпусе ИС;
- Т1, Т2 — КТ315, КТ361 или КТ3102, КТ3107 или аналогичные;
- D1 — стабилитрон, например, КС133, можно использовать светодиод в обычном включении, например, АЛ307;
- М — МД64, МД200 (б), МЭК-3 или аналогичный (в),
- Т — ТМ-2А .
Выходные транзисторы данной схемы УНЧ работают без начального смещения (с Iпокоя=0). Искажения типа “ступенька» практически отсутствуют благодаря глубокой отрицательной обратной связи, охватывающей второй ОУ микросхемы и выходные транзисторы. При необходимости изменения режима выходных транзисторов (Iпокоя=0) схему необходимо соответствующим образом откорректировать: включить в схему резистор или диоды между базами Т1 и Т2, два резистора по 3-5к с баз транзисторов на общий провод и провод питания.
Кстати, в УНЧ в двухтактных выходных каскадах без начального смещения хорошо работают уже устаревшие германиевые транзисторы. Это позволяет использовать с такой структурой выходного каскада ОУ с относительно низкой скоростью нарастания выходного напряжения без опасности возникновения искажений, связанных с нулевым током покоя. Для исключения опасности возбуждения усилителя на высоких частотах используется конденсатор СЗ, подключенный рядом с ОУ, и цепочка R8С8 на выходе УНЧ (достаточно часто RC на выходе усилителя можно исключить).
Микрофонный предварительный усилитель на 2-х транзисторах
Структура построения любого предусилителя очень сильно влияет на его шумовые характеристики
Если брать во внимание тот факт, что используемые в схеме предусилителя качественные радиодетали все равно в той или иной мере приводят к искажениям (шумам), то очевидно, что единственный выход получить более-менее качественный микрофонный усилитель — это сократить число радиокомпонентов схемы. Примером может послужить следующая схема двухкаскадного предварительного усилителя на транзисторах

С данном варианте количество разделительных конденсаторов сведено к минимуму, поскольку транзисторы включены по схеме с общим эмиттером. Так же между каскадами существует непосредственная связь. Для стабилизации режима работы схемы, при изменении внешней температуры и напряжения питания, в схему добавлена ООС по постоянному току.
Активный микрофонный усилитель
Я уже давно борюсь со своей звуковой картой, а именно с ее «микрофонным» входом. Моими прошлыми попытками сделать нормальный усилитель для микрофона были усилитель 1.
Вся проблема была в том, что у меня ползунок «громкость микрофона» — стоял на максимуме. Понизив его уровень я избавился от одной проблемы и получил другую: усиления предыдущих УНЧ не было достаточным.
Поэтому решил сделать усилитель для микрофона с достаточным усилением, низковольтным питанием и малым потреблением тока. В ходе расчетов получилась хорошая схема, с легкодоступными деталями — в основе её ОУ LM358. И теперь я делюсь ею с вами:
Стерео-версия активного микрофонного усилителя

Кто захочет ее делать, вот маленькое напоминание о распайке штекера аудио:

Теперь кратко опишу ее работу. Питание — литиевая батарейка от 3 до 4.2 В. Ток до 1 мА. Усиление выбирается по формуле:
Ку = -(R2/R1)
На схемах выходит усиление в 100 раз (100к/1к). Минус в формуле из-за того, что усилитель инвертирует сигнал на выходе. Для меня это не критично, да и на звук это сильно не влияет. Кому интересно как я его рассчитывал и подбирал номиналы, запускал в симуляторе, вот видео:
Далее — печатная плата. Сверлить не люблю, поэтому сделал все на планарных деталях. Печатку делал в программе Diptrace:

Так как большинство пользователей сайта пользуются SprintLayout — я перенес печатную в формат LAY6. Сразу предупреждаю — печатки надо «зеркалить».

Кстати, это видеоролик записывал уже с этим усилителем, так что можно оценить качество записи. А выглядит полностью собранный усилитель так:

А это расчетная АЧХ и ФЧХ усилителя, при добавлении конденсатора параллельно R8R2R14 — 510 пФ. Можете кликнуть на неё и увеличить:

При желании, схему можно ещё более миниатюризировать, если требуется установить её внутрь небольшого корпуса. Все файлы — печатки, схема, находится в архиве. Автор материала BFG5000.
Форум по МУ
Обсудить статью Активный микрофонный усилитель
Улучшеные усилители для чувствительных микрофонов
Применение в выходных каскадах УНЧ низкоскоростных ОУ и эксплуатация кремниевых транзисторов в усилителях мощности в режиме без начального смещения (ток покоя равен нулю — режим В) может, как это уже отмечалось выше, привести к переходным искажениям типа “ступенька”. В этом случае для исключения данных искажений целесообразно изменить структуру выходного каскада таким образом, чтобы выходные транзисторы работали с небольшим начальным током (режим АВ).
На рисунке 4 представлен пример подобной модернизации приведенной схемы усилителя с дифференциальным входом (рисунок 3).

Рис.4. Схема УНЧ на ОУ с дифференциальным входом и с низким уровнем искажений выходного каскада.
Элементы для схемы на рисунка 4 :
- R1=R2=20к (равно или немного выше максимального сопротивления источника в рабочем диапазоне частот),
- RЗ=R4=1м-2м; R5=2к-10к, R6=1к-Зк,
- R7=47к-300к (подстройка усиления, К=1+R7/R6),
- R8=10, R10=10к-20к,R11=10к-20к;
- С1 =0.1-0.22, С2=0.1-0.22, СЗ=4.7мкФ-20мкФ, C4=0.1;
- ОУ — К140УД8, КР1407УД2, КР140УД12, КР140УД20, КР1401УД2Б или другие ОУ в типовом включении и желательно с внутренней коррекцией;
- Т1, Т2 — КТ3102, КТ3107 или КТ315, КТ361, или аналогичные;
- D2, D3 — КД523 или аналогичные;
- М — МД64, МД200, МЭК-3 или аналогичный (в),
- Т — ТМ-2А .
На рисунке 5 представлен пример УНЧ на транзисторах. В первых каскадах транзисторы работают в режиме микротоков, что обеспечивает минимизацию шумов УНЧ. Схема во многом аналогична схеме на рисунке 2. Для увеличения доли полезного сигнала низкого уровня на фоне неизбежных помех в схему УНЧ включен полосовой фильтр, обеспечивающий выделение частот в полосе 300 Гц -3.5 кГц.

Рис.5. Схема УНЧ на транзисторах с полосовым фильтром и варианты подключения микрофонов: а — УНЧ с полосовым фильтром, б — подключение динамического микрофона, в — подключение электретного микрофона.
Элементы для схемы на рисунке 5 :
- R1=43к-51к, R2=510к (подстройка, Uкт2=1.2В-1,8В),
- R3=5.6к-6.8к (регулятор громкости), R4=3к, R5=8.2к,
- R6=8.2к, R7=180, R8=750; R9=150к, R10=150к, R11=33к,
- R12=620, R13=820-1,2к, R14=200-330,
- R15=100к (подстройка, Uэт5=Uэт6=1.5В), R16=1 к (подстройка тока покоя Т5 и Т6, 1-2мА);
- С1=10мкФ-50мкФ, С2=0.15-0.33, С3=1800,
- С4=10мкФ-20мкФ, С5=0.022, С6=0.022,
- С7=0.022, С8=1мкФ, С9=10мкФ-20мкФ, С10=100мкФ-500мкФ;
- Т1, Т2, Т3 -159НТ1 В, КТ3102Е или аналогичные;
- Т4, Т5 — КТ3102, КТ315 или аналогичные, но можно и устаревшие, германиевые транзисторы, например, МП38А,
- Т6 — КТ3107 (если Т5 — КТ3102), КТ361 (если Т5 — КТ315) или аналогичные, но можно и устаревшие, германиевые транзисторы, например, МП42Б (если Т5 — МП38А);
- М — МД64, МД200 (б), МЭК-3 или аналогичный (в),
- Т — ТМ-2А .
В данной схеме также целесообразно использовать транзисторы с большим коэффициентом усиления, но малым обратным током коллектора (Iк0), например, 159НТ1В (Iк0=20нА) или КТ3102 (Iк0=50нА), или аналогичные. Выходные транзисторы могут использоваться как кремниевые (КТ315 и КТ361, КТ3102 и КТ3107, и т.п.), так и германиевые (устаревшие транзисторы МП38А и МП42Б и т.п.).
Настройка схемы, как и в случае схемы УНЧ на рис.11.2, сводится к установке резистором R2 и резистором RЗ соответствующих напряжений на транзисторах Т2 и Т5, Т6: 1,5В — на коллекторе Т2 и 1,5В — на эмиттерах Т5 и Т6.
Гитарный предварительный усилитель — схема

Предварительный гитарный усилитель паяем на отдельной плате, позже помещённой в экран от помех. Фото платы предусилителя показано ниже. Его основа два операционных усилителя с блоком регулировки тембров и усиления.

Это простое, но проверенное схемное решение, которое обеспечивает отличную тональность всего диапазона. Конструкция идеально подходит для тех гитаристов, которые хотели бы получить отличный звук. Элементы управления тембром имеют достаточный диапазон, чтобы охватить практически что угодно, от скрипки и до бас-гитары.
Предусилитель использует двойной операционный усилитель для усиления. Транзистор, включен по схеме эмиттерного повторителя и имеет низкое выходное сопротивление, после мастер-регулятора громкости. Как показано на схеме, есть типичный гитарный вход, с которого можно получить очень жирный овердрайв, а затем настройку подходящего уровня
Обратите внимание, что при использовании операционного усилителя TL072, возможен шум с большим количеством высоких частот. Настоятельно советуем использовать OPA2134 — операционный усилитель от Texas Instruments, тогда вы получите действительно самый тихий гитарный усилитель, который вы когда-нибудь слышали!
Элементарная база
Современная элементная база позволяет создавать качественные УНЧ на основе малошумящих операционных усилителей (ОУ), например, К548УН1, К548УН2, К548УНЗ, КР140УД12, КР140УД20 и т.д.
Однако, несмотря широкую номенклатуру специализированных микросхем и ОУ, и их высокие параметры, УНЧ на транзисторах в настоящее время не потеряли своего значения. Использование современных, малошумящих транзисторов, особенно в первом каскаде, позволяет создать оптимальные по параметрам и сложности усилители : малошумящие, компактные, экономичные, рассчитанные на низковольтное питание. Поэтому транзисторные УНЧ часто оказываются хорошей альтернативой усилителям на интегральных микросхемах.
Для минимизации уровня шумов в усилителях, особенно в первых каскадах, целесообразно использовать высококачественные элементы. К таким элементам относятся малошумящие биполярные транзисторы с высоким коэффициентом усиления, например, КТ3102, КТ3107. Однако в зависимости от назначения УНЧ используются и полевые транзисторы.
Большое значение играют и параметры остальных элементов. В малошумящих каскадах электронных схем используют оксидные конденсаторы К53-1, К53-14, К50-35 и т. п., неполярные — КМ6, МБМ и т. п., резисторы — не хуже традиционных 5% МЛТ-0.25 и МЛ Т-0.125, лучший вариант резисторов — проволочные, безиндуктивные резисторы.
Входное сопротивление УНЧ должно соответствовать сопротивлению источника сигнала — микрофона или заменяющего его датчика. Обычно входное сопротивление УНЧ стараются сделать равным (или немного больше) сопротивлению источника-преобразователя сигнала на основных частотах.
Для минимизации электрических помех целесообразно для подключения микрофона к УНЧ использовать экранированные провода минимальной длины. Электретный микрофон МЭК-3 рекомендуется монтировать непосредственно на плате первого каскада микрофонного усилителя.
При необходимости значительного удаления микрофона от УНЧ следует использовать усилитель с дифференциальным входом, а подключение осуществлять витой парой проводов в экране. Экран подключается к схеме в одной точке общего провода максимально близко к первому ОУ. Это обеспечивает минимизацию уровня наведенных в проводах электрических помех.
Схема

Схема крайне проста, содержит всего два резистора, два конденсатора, транзистор и электретный микрофонный капсюль. Транзистор можно применить практически любой маломощный структуры n-p-n, например, КТ3102, BC547, BC337. Электретный микрофон можно достать, например, в сломанной гарнитуре, телефонной трубке, либо же купить в магазине радиодеталей. От этого элемента будет сильно зависеть чувствительность микрофона, поэтому желательно взять несколько и проверить, какой лучше всего подойдёт. Преимуществом этой схемы является то, что она использует фантомное питание. Т.е. звуковой сигнал передаётся по тем же проводам, что и питание. Если взять вольтметр и замерять напряжение на микрофонном входе компьютера, там будет примерно 3-4 вольта. При подключении схемы микрофона это напряжение должно просаживаться до уровня 0,6-0,7 вольт, таким образом, внешний источник питания не понадобится и лишних проводов на рабочем месте не будет.

Дополнительная информация
Такой вариант самодельного предусилителя не нуждается в настройке. Подключайте микрофон и начинайте запись.
Потребляемый ток (мА):
- во время работы – 9;
- в режиме ожидания – 3.
Преамп снабжается фантомным питанием, т.е. его источником служит сама звуковая карта. В таких вариантах питающий провод одновременно транслирует сигнал с микрофона. Альтернативные способы питания имеют недостатки:
- батарейки приходится периодически менять;
- подключение к розетке через блок питания, появляются дополнительные провода.
Этот вариант самодельного предусилителя не производит шумовых помех, способствует улучшению качества звука. Работает и с динамическим, и с электретным микрофоном.
Дополнительные функции
При покупке микрофонного предусилителя, в первую очередь, конечно, надо слушать и выбирать ушами
Но затем стоит подключить голову и обратить внимание на некоторые факторы и функции, которые могут быть вам полезны.. Количество входов означает число микрофонов, которые можно записывать одновременно
Чем больше – тем лучше.
Количество входов означает число микрофонов, которые можно записывать одновременно. Чем больше – тем лучше.

Фильтр низких частот. Его задача – обрезать низкие частоты, что помогает отсекать различные низкочастотные помехи.
Фантомное питание, которое необходимо для работы конденсаторных микрофонов. К слову, оно есть практически у всех моделей, но убедитесь в этом, на всякий случай.
Встроенный лимитер (компрессор), который используется для сжатия динамического диапазона. Лимимтер также помогает избежать лишних перегрузок. Честно говоря, это не особо необходимая функция, и иногда не стоит за нее переплачивать.
Индикаторы уровня – необязательная для каждого предусилителя функция, но, безусловно, полезная. Переплатить за нее стоит.
Переключатель фазы поможет справиться с фазовыми проблемы, когда вы записываете несколько микрофонов одновременно.
Эквалайзер корректирует по частотам звуковой сигнал перед отправкой его в звуковую карту. Перед покупкой оцените: точно вам нужна данная опция?

Элементарная база
Современная элементная база позволяет создавать качественные УНЧ на основе малошумящих операционных усилителей (ОУ), например, К548УН1, К548УН2, К548УНЗ, КР140УД12, КР140УД20 и т.д.
Однако, несмотря широкую номенклатуру специализированных микросхем и ОУ, и их высокие параметры, УНЧ на транзисторах в настоящее время не потеряли своего значения. Использование современных, малошумящих транзисторов, особенно в первом каскаде, позволяет создать оптимальные по параметрам и сложности усилители : малошумящие, компактные, экономичные, рассчитанные на низковольтное питание. Поэтому транзисторные УНЧ часто оказываются хорошей альтернативой усилителям на интегральных микросхемах.
Для минимизации уровня шумов в усилителях, особенно в первых каскадах, целесообразно использовать высококачественные элементы. К таким элементам относятся малошумящие биполярные транзисторы с высоким коэффициентом усиления, например, КТ3102, КТ3107. Однако в зависимости от назначения УНЧ используются и полевые транзисторы.
Большое значение играют и параметры остальных элементов. В малошумящих каскадах электронных схем используют оксидные конденсаторы К53-1, К53-14, К50-35 и т. п., неполярные — КМ6, МБМ и т. п., резисторы — не хуже традиционных 5% МЛТ-0.25 и МЛ Т-0.125, лучший вариант резисторов — проволочные, безиндуктивные резисторы.
Входное сопротивление УНЧ должно соответствовать сопротивлению источника сигнала — микрофона или заменяющего его датчика. Обычно входное сопротивление УНЧ стараются сделать равным (или немного больше) сопротивлению источника-преобразователя сигнала на основных частотах.
Для минимизации электрических помех целесообразно для подключения микрофона к УНЧ использовать экранированные провода минимальной длины. Электретный микрофон МЭК-3 рекомендуется монтировать непосредственно на плате первого каскада микрофонного усилителя.
При необходимости значительного удаления микрофона от УНЧ следует использовать усилитель с дифференциальным входом, а подключение осуществлять витой парой проводов в экране. Экран подключается к схеме в одной точке общего провода максимально близко к первому ОУ. Это обеспечивает минимизацию уровня наведенных в проводах электрических помех.
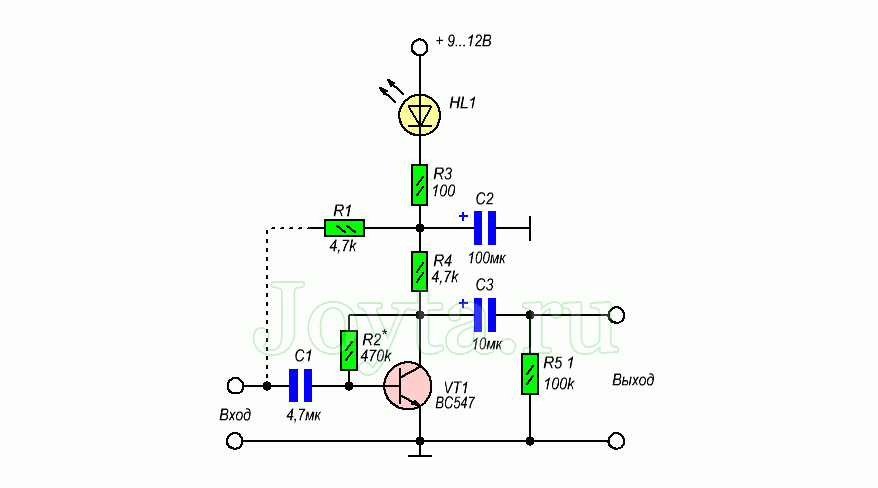
Предусилитель для электретного микрофона на трех транзисторах
Это еще один вариант микрофонного усилителя для электретного микрофона. Особенность данной схемы усилителя для микрофона в том, что подача питания на схему предусилителя осуществляется по тому же проводнику (фантомное питание) по которому идет входной сигнал.

Данный микрофонный предусилитель предназначен для совместной работы с электретным микрофоном, например, МКЭ-3. Напряжение питания на микрофон идет через сопротивление R1. Аудио сигнал с выхода микрофона поступает на базу VT1 через конденсатор С1. Делителем напряжения, состоящим из сопротивлений R2, R3 создается необходимое смещение на базе VT1 (примерно 0,6 В). Усиленный сигнал с резистора R5, выступающий в роли нагрузки, идет на базу VT2 который является частью эмиттерного повторителя на VT2 и VT3.
Возле разъема на выходе, установлены дополнительно два элемента: нагрузочное сопротивление R6, через которое идет питание, и разделительный конденсатор СЗ, отделяющий выходной аудио сигнал от напряжения питания.
Малошумящий микрофонный УНЧ на транзисторах
На рисунке 2 представлен пример схемы УНЧ на транзисторах. В первых каскадах транзисторы работают в режиме микротоков, что обеспечивает минимизацию внутренних шумов УНЧ. Здесь целесообразно использовать транзисторы с большим коэффициентом усиления, но малым обратным током.
Это могут быть, например, 159НТ1В (Iк0=20нА) или КТ3102 (Iк0=50нА), или аналогичные.

Рис. 2. Схема УНЧ на транзисторах и варианты подключения микрофонов: а УНЧ на транзисторах, б — подключение динамического микрофона, в — подключение электретного микрофона, г — подключение удаленного микрофона.
Элементы для схемы на рисунке 2 :
- R1=43к-51к, R2=510к (подстройка, Uкт2=1.2В-1,8В),
- R3=5.6к-6.8к (регулятор громкости), R4=3к, R5=750,
- R6=150к, R7=150к, R8=33к; R9=820-1.2к, R10=200-330,
- R11=100к (подстройка, Uэт5=Uэт6=1.5В),
- R12=1 к (подстройка тока покоя Т5 и Т6, 1-2 мА);
- С1=10мкФ-50мкФ, С2=0.15мкФ-1мкФ, С3=1800,
- С4=10мкФ-20мкФ, С5=1мкФ, С6=10мкФ-50мкФ, С7=100мкФ-500мкФ;
- Т1, Т2, Т3 -159НТ1 В, КТ3102Е или аналогичные,
- Т4, Т5 — КТ315 или аналогичные, но можно и МП38А,
- Т6 — КТ361 или аналогичные, но можно и МП42Б;
- М — МД64, МД200 (б), МЭК-3 или аналогичный (в),
- Т — ТМ-2А.
Использование подобных транзисторов позволяет обеспечить не только устойчивую работу транзисторов при малых коллекторных токах, но и достичь хороших усилительных характеристик при низком уровне шумов.
Выходные транзисторы могут использоваться как кремниевые (КТ315 и КТ361, КТ3102 и КТ3107, и т.п.), так и германиевые (МП38А и МП42Б и т.п.). Настройка схемы сводится к установке резистором R2 и резистором RЗ соответствующих напряжений на транзисторах: 1,5В — на коллекторе Т2 и 1,5В — на эмиттерах Т5 и Т6.
Предусилитель для электретного микрофона на трех транзисторах
Это еще один вариант микрофонного усилителя для электретного микрофона. Особенность данной схемы усилителя для микрофона в том, что подача питания на схему предусилителя осуществляется по тому же проводнику (фантомное питание) по которому идет входной сигнал.
Данный микрофонный предусилитель предназначен для совместной работы с электретным микрофоном, например, МКЭ-3. Напряжение питания на микрофон идет через сопротивление R1. Аудио сигнал с выхода микрофона поступает на базу VT1 через конденсатор С1. Делителем напряжения, состоящим из сопротивлений R2, R3 создается необходимое смещение на базе VT1 (примерно 0,6 В). Усиленный сигнал с резистора R5, выступающий в роли нагрузки, идет на базу VT2 который является частью эмиттерного повторителя на VT2 и VT3.
Возле разъема на выходе, установлены дополнительно два элемента: нагрузочное сопротивление R6, через которое идет питание, и разделительный конденсатор СЗ, отделяющий выходной аудио сигнал от напряжения питания.
Питание электретного микрофона
Почему-то в интернетах очень мало информации о том, как правильно включать электретные микрофоны. Обычно используется стандартный вариант, при котором напряжение подается через токоограничивающий резистор, а далее для отсечения постоянного напряжения устанавливается конденсатор.
При этом в большинстве схем ни слова не говорится о подборе этого резистора и просто указывается конкретное значение. Хотя в целом это не совсем верно. Величину этого резистора следует выбирать не с потолка, а подбирать для каждого конкретного микрофонного капсуля.
Но как же его подобрать?
К счастью была найдена очень интересная статья, в которой автор провел ряд измерений и сделал очень полезное, с практической точки зрения, заключение.
Помимо оптимального режима работы микрофона эта фишка удобна еще и тем, что бонусом мы получаем смещение для операционного усилителя при питании от однополярного источника. Это означает, что можно выкинуть из схемы лишний конденсатор и два резистора.
Предусилитель для микрофона. Подборка схем
Предусилитель для микрофона, он же предварительный усилитель или усилитель для микрофона — это такой вид усилителя, назначение которого — усиление слабого сигнала до величины линейного уровня (порядка 0,5-1,5 вольт), то есть до приемлемой величины, при которой работают обычные усилители звуковой мощности.
Входным источником акустических сигналов для предварительного усилителя обычно являются звукосниматели виниловых пластинок, микрофоны, звукосниматели различных музыкальных инструментов. Ниже приводится три схемы микрофонных усилителей на транзисторах, а так же вариант усилителя микрофона на микросхеме 4558. Все их без труда можно собрать своими руками.
Купить или сделать своими руками?
У микрофонного предусилителя, сделанного своими руками есть три основных преимущества перед теми моделями, которые можно купить в соответствующем магазине:
- Цена.
- Идеальная адаптация под конкретную задачу.
- Качество звука.
Цена
Итак, цена готового изделия, продаваемого в магазине, кроме стоимости комплектующих компонентов, включает в себя плату за бренд, компенсацию рекламных расходов и прибыль, которую получают все: изготовитель, оптовый и розничный продавцы, плюс транспортные расходы. Вот и получается, что в покупном усилителе один только корпус будет стоить дороже, чем весь микрофонный усилитель, сделанный вручную.
Кроме того, существует целый ряд потребительских качеств, которым обязательно следуют практически все изготовители, чтобы достичь определённой универсальности для возможных применений микрофонных предусилителей. Ведь перед разработчиками стоит задача добиться максимальной совместимости со всеми возможными микрофонами и тем оборудованием, с которым он должен будет работать.
Это приводит к тому, что схема микрофонного усилителя приобретает существенную избыточность в виде различных режимов работы, защиты, регуляторов и индикаторов. И чем больше деталей в устройстве, тем большее влияние они оказывают на качество звука, причём не в лучшую сторону.
Адаптация под конкретную задачу
Но в домашней студии звукозаписи микрофонный усилитель обычно работает с одним конкретным микрофоном, в стационарных условиях, и выполняет всегда одну и ту же задачу. А это значит, что большинство универсальных возможностей покупного преампа нам просто не нужны. Но мы можем сосредоточиться на максимальном качестве именно того, что нам нужно, идеально адаптировав собственную конструкцию под конкретную задачу.
Качество звука
Чем отличается хороший микрофонный усилитель для записи вокала от обычного? В первую очередь тем, что хороший предусилитель не вносит в звук собственных артефактов и искажений, и в то же время создаёт для микрофона самое оптимальное согласование для получения максимально возможного качества преобразование звука в электрический сигнал.
Услышать это на слух при обычной проверке затруднительно. Чтобы оценить качество микрофонного усилителя, с ним нужно поработать в реальных условиях, применяя к уже записанному с помощью него вокалу самые различные обработки. Особенно сильно все недостатки проявляются при больших уровнях компрессии и попытках поместить вокал в плотный микс.
Качество звука современных микрофонных предусилителей, особенно брендовых марок, как правило, особых нареканий не вызывает. Но естественное стремление изготовителей максимально удешевить изделие приводит к тому, что формально все характеристики соответствуют заявленным, но компоненты могут быть недорогими, чисто из маркетинговой целесообразности.
Причём проверить, из чего сделан готовый предусилитель, пока Вы его не купили, далеко не всегда возможно.
Так что пока Вы не купите преамп и не поработаете с ним как следует, качество его Вы не оцените. А вот в собственную конструкцию довольно легко можно внести изменения, если что-то не понравится.
И ещё.
Как правильно подключить микрофон
Чтобы добиться качественного звучания, нужно знать, как подключить микрофон к компьютеру. Не все понимают, что за разноцветные входы расположены на задней панели настольного компьютера. С ноутбуками проще: возле разъёмов всегда найдутся поясняющие значки, на настольных ПК это роскошь.
(Могут наличествовать разъемы для подключения дополнительных колонок, что отлично подходит для создания домашнего кинотеатра, они нам не нужны.)
Основных разъёма три: выход на колонки (наушники), микрофонный и линейный входы, каждому присвоен определённый цвет.

Зачем нужны микрофонный вход и выход на динамики/наушники, понятно из названия. А с линейным (Line in) ситуация интереснее. Он тоже предназначен для записи звука, но устроен проще.
| Микрофонный вход | Линейный вход |
| Подаётся напряжение 2 — 5 Вольт, точная величина зависит от модели звуковой карты | Выходного напряжения нет |
| Установлен предусилитель, усиливающий сигнал примерно в 30-50 раз | Усилителя нет |
На устройство, подключённое к микрофонному разъёму, подаётся напряжение (так называемое «фантомное питание»), а обратный сигнал проходит через усилитель. Отсюда и возникает шум на записи: во-первых, подаваемое питание имеет свою частоту, во-вторых, электронные компоненты звуковой карты ловят и делают громче все помехи и сигналы с микрофона и окружающих устройств.
Линейный вход фантомного питания не имеет, да и усилителя как такового нет. Сигнал нужен мощный, но зато при оцифровке сигнала примешивается минимум постороннего шума. Например, можно взять старый кассетный плеер и подключить к Line in его выход на наушники — так получится оцифровать аудиокассеты.
Электретные и конденсаторные микрофоны нельзя просто взять и подключить к линейному входу. Точнее, электретный заработает, но без питания он, будучи генератором очень слабого тока, выдаст слишком тихий звук, практически неслышимый.
Что же делать? К чему знать эту заумь? А к тому, что существует два вида усилителей, способные повысить громкость звука, подключаемые либо к микрофонному, либо к линейному входам. И нужно понимать, какой вариант вам подходит.
- Встроенные в микрофон, питающиеся от идущего по микрофонному кабелю напряжения. Усиливают сигнал до 10 раз (в децибелах точно не могу сказать), сильно уязвимы для помех.
- Со внешним питанием от батареек или отдельного блока. Могут усиливать сигнал в 10-1000 раз и подключаются к линейному входу. Шум никуда не исчезает, но относительно полезного сигнала он в сотню раз тише, поэтому, подключив даже дешёвую сторублёвую петличку через усилитель, можно получить качественный звук.
То есть в идеале микрофон нужно подключить через усилитель к линейному входу и всё будет ОК.
Сравнительные испытания.
При сравнительном испытании, регуляторы устанавливались в такое положение, которое бы обеспечило одинаковый уровень записанного сигнала, как при использованием микрофонного усилителя, так и без него.
Зелёный — уровень шума.
Малиновый — вид шума.

На графике уровень шумов микрофонного усилителя встроенной аудио карты в режиме «Microphone Boost».
Уровень записи – 1,0.
Уровень шума около -80Дб.

Для того чтобы получить минимальный уровень шумов, я установил максимальный уровень сигнала резистором R3. Это позволило использовать усилитель линейного входа аудио карты с небольшим уровнем усиления.
На этом графике уровень шумов самодельного микрофонного усилителя.
Уровень записи 0,05.
Уровень шума около -110Дб.

Драйверы аудиокарат обычно не позволяют устанавливать уровень записи с такой высокой точностью.
Установить уровень записи с точностью до долей процента можно с помощью бесплатного портативного аудиоредактора Audacity, ссылка на который есть в «Дополнительных материалах».
























































