Экономный вариант без корпуса
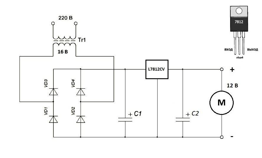
Переходим к созданию мини дрели с минимальными затратами. Не покупаем ничего, кроме собственно моторчика (хотя и его можно бесплатно найти в старой технике). Большинство компактных электродвигателей рассчитаны на постоянное напряжение 12 вольт. Под него и создаем блок питания.
Поскольку никаких дополнительных опций не будет (регулятор оборотов, стабилизатор напряжения), блок питания стабилизируется постоянной нагрузкой. Типичный 12 вольтовый микродвигатель работает с током, не превышающим 2 ампера. Простой расчет показывает, что мощность на выходе должна быть 24 Вт. Добавляем 25% на потери при выпрямлении, получаем трансформатор 30 Вт.
Чтобы получить 12 вольт под нагрузкой, с вторичной обмотки необходимо снять 16 вольт. Изготовить такой трансформатор можно за час, из любого ненужного блока питания. Далее – выпрямительный мост на любых диодах: например, 1N1007.

Нашему мотору ни к чему пульсации выпрямленного напряжения, поэтому на выходе подключаем электролитический конденсатор на 25 вольт емкостью около 1000 мкФ. Он будет сглаживать выходной ток. Несмотря на простоту, такой тандем работает устойчиво, с одним лишь недостатком: при повышении нагрузки напряжение падает. То есть, при равномерном вращении – блок питания выдает 12 вольт. А если вы сверлите «тяжелый» материал – надо следить за оборотами, не давая им опуститься. Иначе вал просто остановится.
Можно немного усложнить схему блока питания, добавив подходящий стабилизатор напряжения. Например, КР142ЕН8Б или L7812CV.

В этом случае падения напряжения при нагрузке на сверло не будет.
Далее нужно изготовить достаточно точный элемент конструкции – патрон для сверла. Не хотите тратить деньги на фабричный цанговый зажим – подойдет любая втулка. Все зависит от сферы применения мини дрели:
Если вы будете сверлить только текстолит печатных плат – смена сверла не потребуется. Значит крепим его стационарно. Переходную втулку можно сделать из чего угодно: трубка от телескопической антенны, игла от медицинского шприца, стержень от гелевой авторучки.

Учитывая миниатюрность конструкции, никакие зажимы не нужны. Все можно закрепить клеем или скотчем.
При универсальном использовании дрели, подразумевающим смену сверла или установку иных насадок, правильнее будет приобрести универсальный цанговый патрон.

Можно использовать стандартный кулачковый патрон, установив его на вал с помощью переходной втулки.

Исполнение корпуса зависит только от вашей фантазии. Большинство мастеров оставляют «голую» утилитарную конструкцию: напряжение питания безопасное, размеры моторчика позволяют удерживать его в руках без корпуса.

Если хочется элементарной эстетики – вариантов множество: и все они условно бесплатны.

Самодельный инструмент не просто экономит финансовые средства. Его можно изготовить в точности под ваши задачи, в отличие от универсальных фабричных вариантов.
Что нужно знать перед покупкой
Не имеет значения, что нужно знать, как выбрать лазерный гравер для дома или иной тип рассматриваемого инструмента, основные параметры, на которых стоит заострить внимание, включают в себя:
- габариты и вес;
 - скорость вращения;
 - суммарное число насадок в базовой комплектации.
 
Как правильно выбрать гравер – многие специалисты советуют обращать внимание на мобильные инструменты с частотой вращения вала порядка 20 тысяч в минуту. Каждая модель обладает своим набором функциональных возможностей
От суммарного количества насадок напрямую зависит универсальность
Каждая модель обладает своим набором функциональных возможностей. От суммарного количества насадок напрямую зависит универсальность.
В комплекте могут быть:
- зажимы, муфты;
 - насадки, используемые исключительно для гравировки;
 - круги для полировки и резки;
 - сверла и боры.
 
Как выбрать гравер электрический – рекомендуется перед приобретением проверить наличие в комплекте гибкого вала. Благодаря этому можно выполнять работы в труднодоступных местах.
 Периодичность использования
При выборе подходящей модели стоит понять, как часто мастер будет пользоваться инструментом. Для постоянных работ по обработке материалов рекомендуется делать акцент на качественном гравере с мощностью в 250 Вт.
Благодаря этому можно обеспечить эффективную работу на небольшой скорости.
 Какой материал обрабатывается
При покупке стоит четко понимать, какой именно материал планируется обрабатывать. К примеру, дерево и стекло можно обработать мини дрелью со скоростью в 20 тысяч оборотов в минуту.
Для прочной стали и ювелирных изделий требуется выбирать модель с частотой вращения в 30 тыс., причем нередко требуется использовать ударный гравер.
Только после изучения будущего материала для обработки следует изучить технические параметры выбранной модели:
- частота вращения;
 - габариты;
 - заявленная мощность.
 
Особое внимание уделяется уровню шуму, поскольку некоторые модификации весьма громкие, что вызывает определенный дискомфорт при работе
 Габариты и вес инструмента
Необходимо выбирать инструмент, который будет соответствовать заявленным к ним требованиям. Модели с небольшими габаритами, как правило, не содержат системы охлаждения, из-за чего не могут обеспечить длительную работу. Это влечет за собой необходимость делать постоянные перерывы продолжительностью до 20 минут – чтобы инструмент успел остыть.
 Скорость вращения вала
Также при выборе подходящего инструмента, в первую очередь учтите максимальную и минимальную скорость вращения вала. Эта характеристика важнейшая для качества обработки материала. Полировка и шлифовка выполняется на малых оборотах двигателя (иначе можно перегреть поверхность изделия). А резка и заточка инструмента производится при высоких оборотах. Количество оборотов вала в современных моделях в пределах 15000-35000 об/мин.
Проверьте возможность регулировки количества оборотов. Поинтересуйтесь наличием регулятора скорости двигателя. Хорошие изделия оснащены электронной регулировкой, а дешевые модели изготавливают с устройством, которое просто уменьшает напряжение двигателя. Использовать такие инструменты для высокоточных работ нельзя.
 Мощность гравера
Мощность двигателя при выборе гравера очень важна. Эта характеристика влияет на себестоимость использования инструмента и на его цену.
Для использования в быту или в небольшой мастерской, необходимо приобрести гравер мощностью не более 200 Вт и со скоростью 20 000 оборотов в минуту. Профессиональные модели выпускают мощностью 250 Вт.
 Дополнительные приспособления
Возможности небольших граверов удалось расширить с помощью различных дополнительных компонентов. Вот только часть из них:
- Угловая насадка необходима для выполнения работы в неудобном или труднодоступном месте, она способна превратить ваш гравер в угловую шлифовальную машину;
 - Гибкий вал со специальным кронштейном или тисками дает возможность работать в комфорте;
 - Специальная стойка сделает из вашего гравера сверлильный станок.
 
 Уровень шума и вибрации гравера
Большинство изготовителей устройства не указывают эту характеристику в описании моделей, но можно включить его и узнать уровень его вибрации и шума. Чаще всего небольшие проблемы с шумом есть у инструментов средней стоимости, дешевые и слабые устройства практически не вибрируют и не шумят по причине их слабой мощности, а в дорогих приборах этот недостаток обязательно решается изготовителем. Учтите что по сравнению с привычной шлиф машинкой и дрелью, гравер шумит очень слабо.
Преимущества и недостатки
К плюсам лазерного гравера можно отнести:
- точность нанесения рисунка;
 - возможность работать с разными типами материалов;
 - простое управление;
 - безотходное производство.
 
Основное преимущество устройства — это автоматика. Благодаря программному управления вероятность ошибки сведена к минимуму. Однако они не исключены и нужно учиться пользоваться гравером.
 
При достаточном уровне мастерства можно вырезать сложные рисунки
Однако у оборудования есть и недостатки. В процессе резки и нанесения гравировки невозможно регулировать глубину рисунка. Поэтому поверхность будет неоднородной и не всегда это хорошо. К тому же не все материалы хорошо переносят обработку лазером — под воздействием высокой температуры они деформируются.
Еще один недостаток гравера — это его небольшая производительность. Даже с мощной моделью может быть сложно изготавливать большую партию изделий. Нужно будет делать перерывы.
Опасное воздействие лазера

В случае контакта с лазерным излучением наибольшее вредное воздействие приходится на органы зрения сотрудника. При этом характер возможных повреждений зависит от длины волны, которая использовалась в лазерной установке. Так, в случае, если этот параметр находился в пределах от 380 до 1 400 нм, наиболее вероятным становится поражение сетчатой оболочки органов зрения, тогда как при воздействии волн длиной менее 380 нм или более 1 400 нм в максимальной степени страдают так называемые передние среды глаза. При этом опасность для кожи человека представляют лазерные излучения с любой длиной волны.
Общие правила безопасной эксплуатации лазерных установок
При наличии некоторых условий большинство лазерных установок могут быть опасны. Поэтому при эксплуатации всех типов лазеров действует ряд общих правил, позволяющих снизить вероятность наступления несчастного случая. К ним относятся:
- установка защитной оболочки, имеющей возможность блокировки, на все типы лазерных установок;
 - подача тревожного сигнала во всех случаях срабатывания блокировки на работающем изделии;
 - использование при работе с лазерами оптических устройств, снижающих вредное воздействие лазера до разрешенного;
 - наличие на всех типах лазерных изделий маркировки, указывающей на установленный класс опасности.
 
Правила эксплуатации опасных типов лазеров
Согласно положениям СанПиН 2.2.4.3359-16 «Санитарно-эпидемиологические требования к физическим факторам на рабочих местах», наибольшую опасность для персонала представляют два класса лазеров, имеющие кодовое обозначение 3В и 4. Именно поэтому к порядку их эксплуатации предъявляются особые требования:
- применение систем ограничения неправомерного доступа к средствам управления данными типами лазеров. По окончании работы с ними доступ к средствам управления должен быть блокирован;
 - жесткая блокировка дверей помещения во время работы и использование предупреждающих знаков;
 - наличие сигнальных устройств светового типа, работающих в процессе эксплуатации оборудования и автоматически выключающихся при ее окончании;
 - в случае, если излучение находится в области невидимого спектра, требуется наличие встроенных безопасных лазеров видимого спектра для визуального определения направления лазерного пучка;
 - возможность снижения интенсивности излучения в процессе проведения регулярного технического обслуживания установок;
 - жесткая фиксация оптических приборов для предотвращения случайного отражения;
 - соблюдение нормативов размещения установок в имеющихся планировках;
 - применение матовых негорючих материалов для облицовки стен помещения, где работают лазеры.
 
Требования к персоналу, работающему с лазерами
Поскольку работа с применением лазерных установок может представлять опасность для здоровья сотрудников, к ним предъявляется ряд требований, которые призваны снизить вероятность наступления несчастного случая. Указанные требования зафиксированы в ряде нормативных документов Российской Федерации, включая ГОСТ 12.1.040-83 «ССБТ. Лазерная безопасность. Общие положения»:
- возраст сотрудников, допускаемых к работе с лазерными установками, должен составлять не менее 18 лет;
 - весь персонал, допускаемый к обслуживанию и работе с лазерами, должен пройти необходимый инструктаж и обучение, а также изучить техническую документацию изделий;
 - сотрудники, занимающиеся монтажом и осуществлением пуско-наладочных работ, обязаны иметь соответствующую квалификационную группу, подтверждающую их навыки.
 
Как пользоваться при установке мебели
Еще этот прибор применяется для выравнивания мебели в комнате. Причем касается это не только подвесной мебели — шкафов, полочек и т.п., но и расположенной на полу. Если надо повесить шкаф или полочку на стене, то применение обычного водного уровня крайне неудобно. Включив нивелир, и установив режим крестовой проекции, можно безошибочно повесить полочку или шкаф в доме на стене. Высокая точность и ровность расположения мебели играет важную роль на дизайне интерьера.

Как воспользоваться нивелиром, чтобы выровнять диван, кровать, холодильник или электрическую печку. Шкафы на кухне также требуют прямолинейного расположения, и в этом деле также поможет незаменимый нивелир. Конечно, можно взять водный уровень, так как его погрешность является допустимой, однако с оптическим прибором справиться с заданием будет намного проще.
Измеритель включается в режим построения горизонтальной плоскости, а затем выполняется настройка мебели. Для этого на ножках мебели имеются регулировочные винты, при помощи которых можно добиться прямолинейного расположения.
https://youtube.com/watch?v=EqcdVWXg2xA%3F
Электрическая часть самодельного лазерного гравера
Основным элементом электрической схемы представленного устройства является лазерный излучатель, на вход которого должно подаваться постоянное напряжение со значением, не превышающим допустимых параметров. Если не соблюсти данное требование, лазер может просто сгореть. Лазерный излучатель, используемый в гравировальной установке представленной конструкции, рассчитан на напряжение 5 В и силу тока, не превышающую 2,4 А, поэтому настройка регулятора DC-DC должна быть выполнена на силу тока 2 А и напряжение до 5 В.

Электрическая схема гравера
Транзистор MOSFET, который является важнейшим элементом электрической части лазерного гравера, необходим для того, чтобы, получая сигнал от контроллера «Ардуино», включать и выключать лазерный излучатель. Электрический сигнал, вырабатываемый контроллером, является очень слабым, поэтому воспринимать его, а затем отпирать и запирать контур питания лазера может только транзистор MOSFET. В электрической схеме лазерного гравера такой транзистор устанавливается между плюсовым контактом лазера и минусовым регулятора постоянного тока.
Шаговые электродвигатели лазерного гравера подключаются через одну электронную плату управления, что обеспечивает синхронность их работы. Благодаря такому подключению зубчатые ремни, приводимые в движение несколькими двигателями, не провисают и сохраняют стабильное натяжение в процессе своей работы, что обеспечивает качество и точность выполняемой обработки.
Для этого необходимо обеспечить его эффективное охлаждение. Решается такая задача достаточно просто: рядом с диодом устанавливают обычный компьютерный вентилятор. Чтобы исключить перегрев плат управления работой шаговых электродвигателей, рядом с ними также размещают компьютерные кулеры, так как обычные радиаторы с такой задачей не справляются.
Фотографии процесса сборки электросхемы
Настройка лазерного гравера

Как известно, корректность функционирования гравировального оборудования во многом обуславливается тем, насколько правильно была выполнена подстройка лазерного гравера. Помимо мощности луча, она обуславливает и его разрешение. Высокоточная юстировка позволит существенно повысить качество выпускаемых продуктов, а тем самым увеличить прибыль компании и сделать ее успешной. Но чтобы правильно выполнить настройку лазерного гравера, потребуется определенное упорство, поскольку сама процедура отличается сложностью и трудоемкостью.
Неопытному специалисту может показаться на первый взгляд, что в этом нет ничего сложного, достаточно лишь ставить цели из бумаги на зеркала, а затем нацеливать на них лазерный луч, время от времени меняя значения по осям X и Y. Но в реальности такая последовательность действий не всегда обеспечивает нужный результат, т.к. или мощность не соответствует требуемому уровню, или луч не сфокусирован. Данные характеристики оказывают существенное воздействие на качество резки и гравирования. Кроме того, нужно иметь в виду, что при настройке лазерного гравера вам понадобится выполнять огромное количество операций, меняя загоревшиеся цели
Вдобавок, следует принимать во внимание потенциальный травматизм этих операций, ведь человек не может увидеть перемещения лазерного луча, а он способен сильно травмировать либо ухудшить зрение
С самого начала настройки у многих появляется стремление выдумать нечто, что позволит облегчить процесс, минимизировав трудозатраты и повысив результативность. Любой хотел бы воспользоваться специальной системой для форсирования настройки лазерного гравера, как в дорогостоящих моделях, выпускаемых известными брендами. В данной статье будет подробно рассмотрена инструкция о том, как это сделать самостоятельно.
Если вы приобрели «брендовое» оборудование от популярного изготовителя ценой в 10-20 тыс. долл., в таком случае эта статья не для вас. «Топовые» изделия нередко комплектуются красным диодным лазером, позволяющим выполнить высокоточную юстировку луча.
При этом компании, занятые выпуском недорогих лазеров, комплектуют их специальным устройством для настройки. Штатив, оснащенный поворачивающимися зеркалами, фиксируется перед излучателем, а затем на них нацеливается лазерный диод. Благодаря наличию подобного приспособления вам будет намного проще отрегулировать оптический тракт, кроме того, им довольно легко пользоваться. В приложенной инструкции написано, что сначала при настройке лазерного гравера необходимо убрать 1-е зеркало, а потом нацелить лазер с дистанции 2-4 м. Далее нужно совместить точки лазера-настройщика и самого оборудования.
Поначалу может показаться, что это прекрасный метод настраивания оптического тракта, однако для этого придется отыскать примерно 2-4 м свободного пространства, а ведь в наших недостаточно просторных комнатах это не всегда бывает возможно. Кроме того, некоторые модели нельзя нацеливать с большой дистанции, поскольку этому препятствует защита из металлопластика.
В представленной ниже инструкции будет подробно описано, как изготовить из подручных инструментов весьма удобный прибор, позволяющий юстировать оптический тракт гравера. Поначалу он может казаться чересчур простым, но принесет вам немалую пользу. Воспользовавшись этим простеньким приспособлением, мы сумели осуществить настройку лазерного гравера всего лишь за 20 мин., что позволило на 15% повысить мощность лазера и почти на порядок повысило качественность гравировальных работ.
Лазерный нивелир на практике: несколько конкретных примеров использования
Спросив у опытного мастера, как использовать лазерный уровень, можно узнать, что применять этот прибор можно практически повсюду. И границами, определяющими возможности его использования, являются границы вашей фантазии. А теперь – немного конкретики.
Выравниваем поверхность — вертикальная проекция
Именно данная область применения наглядно показывает, насколько устарели всевозможные линейки, рулетки и уровни пузырькового типа.
Чтобы узнать, насколько ровные ваш пол или стены, надо вдоль их поверхности направить лазерный луч. При этом вдоль стены (если проверяем стену) ставим несколько контрольных меток.
Линия, прочерченная лучом, покажет отклонение от вертикали в каждой метке. В соответствии с этими данными подбираем толщину выравнивающего слоя во всех контрольных точках.

Применение при отделке кафельной плиткой — крестовая проекция
Включаем оба луча – вертикальный и горизонтальный. Пересекаясь, они проецируют крест на стене объекта. Совмещаем центр этого креста с центральными швами у плитки, которую кладем. А по линиям лазерных лучей выравниваем стороны плитки.

Построение наклонных плоскостей
Далеко не все элементы дома состоят лишь из горизонтальных и вертикальных линий. Порой дизайнеру хочется поэкспериментировать и с плоскостями, расположенными под наклоном. При осуществлении таких смелых проектов лазерный уровень придется как нельзя кстати. Прочитайте внимательно инструкцию к своему прибору, и вы поймете, как заставить луч идти под углом.
В тех нивелирах, где используется система автоматического выравнивания, необходимо включить блокировку данной системы. Некоторые уровни оснащаются системой автоматического изменения угла наклона луча. К примеру, если отключить блокировку компенсации наклона, то вполне возможно закрепить нивелир на штативе под тем углом, который требуется. Лазерный луч будет идти под наклоном.

Клеим обои и прочие декоративные элементы
И для этой несложной операции пригодится лазерный уровень. Так, включив вертикальный луч, мы сможем легко выровнять вертикальную кромку обоев. А горизонтальный луч поможет сделать идеальный бордюр, который без применения инструмента часто получается кривоватым.

Устанавливаем мебель и встраиваем бытовую технику
Неровно висящая полка или навесной шкафчик способны причинить немало огорчений – они весь вид комнаты портят. Конечно, можно перевесить их, пользуясь обычным пузырьковым уровнем или даже линейкой. Но это долго и хлопотно. То ли дело – лазерный нивелир. Он и шкаф поможет ровно установить, и карниз повесить, и встраиваемую технику точно расположить. Главное – делается всё это очень быстро.

Монтаж перегородок и планировка помещений
Имея лазерный уровень, можно за короткое время «перекроить» помещение. Чтобы разметить расположение перегородок, не придется брать стремянку или ползать по полу. Достаточно сделать проекцию лазерного луча в том месте, где будет находиться будущая перегородка.

Применение при осуществлении измерений
Непосредственно измерить что-либо нивелиром не получится. Зато он может существенно облегчить и ускорить эту работу. Возьмем, к примеру, комнату, стены у которой не являются вертикальными. Если нужно узнать ее высоту, возникает проблема – вдоль стены этого не сделать. Неплохо использовать лазерный дальномер, но его может и не быть.
Если имеется лазерный уровень, который проецирует линию отвеса, то он тоже может помочь. Получив при этом две точки – на полу и потолке – мы берем рулетку или линейку и замеряем расстояние между ними. Получается весьма точная высота помещения.
Гравер своими руками
Прибор можно сделать из самых простых подручных средств.
Электрический карандаш
Этот способ подходит только для гравировки на токопроводящих поверхностях. Стержень простого канцелярского карандаша состоит из графита, который хорошо пропускает электрический ток. Карандашом под током можно сделать гравировку на металлической поверхности. Такой рисунок сотрётся только шлифовальной машиной. Вам потребуются: карандаш с ластиком на конце, вилка для розетки с двухжильным кабелем, лампочка на 100 Вт, резиновые перчатки, два куска провода, зажим «крокодил», металлическая заготовка, например, нож.
- Снимите ластик с карандаша и просверлите его посередине.
 - Пропустите провод через отверстие. Снимите изоляцию с нескольких сантиметров и скрутите оголённый участок. Заострите слегка карандаш в том месте, где был ластик, чтобы улучшить контакт.
 - Установите ластик с проводком на карандаш.
 - Возьмите лампу. К одному выводу подсоедините карандаш, к другому — жилу кабеля вилки. Неиспользованный проводок подключите к «крокодилу» и к свободной жиле вилки. Соедините металлический зажим с ножом. Конструкция готова.
 - Чтобы не испортить заготовку случайной помаркой, сначала нанесите черновую надпись. Наденьте резиновые перчатки в целях безопасности. Включите устройство в сеть и начинайте работать. Во время гравировки между карандашом и ножом образуется искра, которая и наносит рисунок.
 
Видео: как сделать электрический карандаш для гравировки на металле
Универсальный гравер
Используя этот вариант, вы сможете выполнять разные операции. Вам понадобятся: разъём для блока питания с двумя проводами, кнопка, пластиковая бутылка с крышкой, блок питания на 12 В, двигатель на 12 В, кусок пластиковой трубы длиной 10 см с внутренним диаметром немного больше, чем двигатель.
- Просверлите в трубе отверстие под выключатель. Смажьте кожух двигателя термоклеем, чтобы закрепить его в трубе.
 - Вставьте двигатель в трубу. Один из проводов проденьте в отверстие.
 - Один провод разъёма для блока питания вставьте в трубу и проведите через отверстие. Возьмите кнопку. Припаяйте к ней два провода, торчащих из отверстия. Заизолируйте контакты.
 - У вас должны остаться два свободных провода: от двигателя и от разъёма для блока питания. Соедините их.
 - Отрежьте от пластиковой бутылки часть горлышка с крышкой. По центру крышки просверлите отверстие под разъём. Приклейте разъём к крышке, а крышку к трубе.
 - Возьмите блок питания на 12 В и подключите к разъёму. Нажмите на кнопку, чтобы проверить работоспособность двигателя.
 
Вместо разъёма для блока питания можно установить пару батареек.
Устройство и принцип работы
Главным элементом гравёра является полупроводниковый лазер. Он испускает сфокусированный и очень яркий луч света, который прожигает обрабатываемый материал. Регулируя мощность излучения, можно изменять глубину и скорость прожига.
В основе лазерного диода лежит полупроводниковый кристалл, сверху и снизу которого находятся P и N области. К ним подсоединены электроды, по которым подводится ток. Между этими областями расположен P — N переход.
В сравнении с обычным лазерный диод выглядит великаном: его кристалл можно подробно рассмотреть невооружённым взглядом.
Расшифровать значения можно следующим образом:
- P (positive) область.
 - P — N переход.
 - N (negative) область.
 

При работе диод нагревается, и его приходится охлаждать. Если постоянно наращивать подаваемую на кристалл мощность, рано или поздно наступит момент, когда система охлаждения перестанет справляться с отводом тепла и диод сгорит.
Существуют полупроводниковые лазеры на 10 и более киловатт, но все они — составные. Их оптический резонатор накачивается маломощными диодами, количество которых может достигать нескольких сотен.
В гравёрах составные лазеры не используются, так как их мощность слишком велика.







